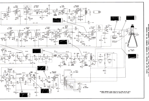
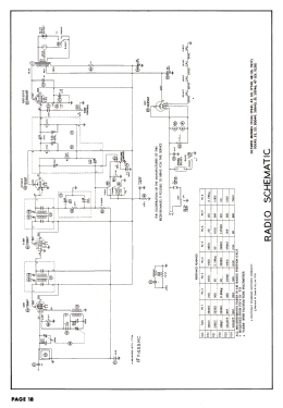
17T40 Ch= TK17
Olympic Radio & Television, Inc.; New York (NY)
- Produttore / Marca
- Olympic Radio & Television, Inc.; New York (NY)
- Anno
- 1953 ?
- Categoria
- Televisore (TV) / Monitor
- Radiomuseum.org ID
- 361352
Clicca sulla miniatura dello schema per richiederlo come documento gratuito.
- Numero di tubi
- 24
- Valvole
- 6BK7 or 6BQ7 6J6 6CB6 6CB6 6CB6 6BA6 6CB6 6AU6 6AL5 6AV6 6W6GT 6SN7GT 12BH7 6SN7GT 6BQ6GT 6W4GT 1B3GT 12SA7 12SK7 12SQ7 50L6GT 35Z5GT 5U4G 17HP4
- Principio generale
- Supereterodina con stadio RF
- Gamme d'onda
- Gamme d'onda nelle note.
- Particolarità
- Cambiadischi
- Tensioni di funzionamento
- Alimentazione a corrente alternata (CA) / 60 Hz, 117V = 110 -120 Volt
- Altoparlante
- AP magnetodinamico (magnete permanente e bobina mobile) / Ø 10 inch = 25.4 cm
- Materiali
- Mobile in legno
- Radiomuseum.org
- Modello: 17T40 Ch= TK17 - Olympic Radio & Television,
- Forma
- Console di qualsiasi tipo
- Annotazioni
-
Olympic model 17T40 is a 17” b/w TV with US standard VHF tuner channels 2 thru 13. Equipped with chassis TK17, TV-radio-phono combination , VHF tuner RF-CL-2755-1 and picture tube 17HP4.
- Letteratura / Schemi (1)
- Photofact Folder, Howard W. SAMS (Set 196, folder 9, dated 3-53)
- Autore
- Modello inviato da Dirk Taekels. Utilizzare "Proponi modifica" per inviare ulteriori dati.
- Altri modelli
-
In questo link sono elencati 608 modelli, di cui 273 con immagini e 556 con schemi.
Elenco delle radio e altri apparecchi della Olympic Radio & Television, Inc.; New York (NY)