1CA70U Ch= DAU
Olympic Radio & Television, Inc.; New York (NY)
- Pays
- Etats-Unis
- Fabricant / Marque
- Olympic Radio & Television, Inc.; New York (NY)
- Année
- 1956 ?
- Catégorie
- Récepteur de télévision ou moniteur
- Radiomuseum.org ID
- 262075
Cliquez sur la vignette du schéma pour le demander en tant que document gratuit.
- No. de tubes
- 16
- Lampes / Tubes
- 6U8 6BK7 6AF4A 6AW8 6BN6 6DG6GT or 6W6GT 6BZ6 6CB6 12AU7 12BH7 6SN7GTA or 6SN7GTB 6CU6 or 6DQ6 1B3GT 6AX4GT 5U4G 21ALP4 or 21ALP4A
- Principe général
- Super hétérodyne avec étage HF
- Gammes d'ondes
- Bandes en notes
- Tension / type courant
- Alimentation Courant Alternatif (CA) / 60 Hz, 117V = 110 -120 Volt
- Haut-parleur
- HP dynamique à aimant permanent + bobine mobile
- Matière
- Boitier en bois
- De Radiomuseum.org
- Modèle: 1CA70U Ch= DAU - Olympic Radio & Television,
- Forme
- Modèle de table générique
- Remarques
-
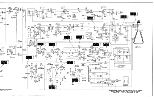
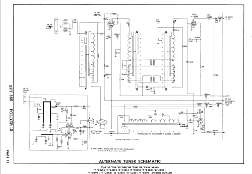
The Olympic 1CA70U is a 21" b/w TV with US standard VHF Tuner channels 2 thru 13, 14 thru 83 UHF. Equipped with chassis DAU, VHF-UHF tuner CL5220-1 and picture tube 21ALP4 or 21ALP4A.
- Littérature
- Photofact Folder, Howard W. SAMS (Set 350 Folder 18-S dated 3-57)
- Schémathèque (1)
- Photofact Folder, Howard W. SAMS (Set 365 Folder 10 dated 7-57)
- Auteur
- Modèle crée par Dirk Taekels. Voir les propositions de modification pour les contributeurs supplémentaires.
- D'autres Modèles
-
Vous pourrez trouver sous ce lien 608 modèles d'appareils, 273 avec des images et 556 avec des schémas.
Tous les appareils de Olympic Radio & Television, Inc.; New York (NY)