1KB88U Ch= DBU
Olympic Radio & Television, Inc.; New York (NY)
- Land
- USA
- Hersteller / Marke
- Olympic Radio & Television, Inc.; New York (NY)
- Jahr
- 1956 ?
- Kategorie
- Fernseh-Empfänger/Monitor
- Radiomuseum.org ID
- 262074
Klicken Sie auf den Schaltplanausschnitt, um diesen kostenlos als Dokument anzufordern.
- Anzahl Röhren
- 16
- Röhren
- 6U8 6BK7 6AF4A 6AW8 6BN6 6DG6GT or 6W6GT 6BZ6 6CB6 12AU7 12BH7 6SN7GTA or 6SN7GTB 6CU6 or 6DQ6 1B3GT 6AX4GT 5U4G 21ALP4 or 21ALP4A
- Hauptprinzip
- Super mit HF-Vorstufe
- Wellenbereiche
- Wellen in den Bemerkungen.
- Betriebsart / Volt
- Wechselstromspeisung / 60 Hz, 117V = 110 -120 Volt
- Lautsprecher
- Dynamischer LS, keine Erregerspule (permanentdynamisch)
- Material
- Gerät mit Holzgehäuse
- von Radiomuseum.org
- Modell: 1KB88U Ch= DBU - Olympic Radio & Television,
- Form
- Tischmodell, Zusatz nicht bekannt - allgemein.
- Bemerkung
-
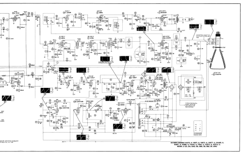
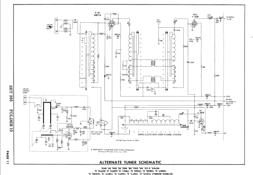
The Olympic 1KB88U is a 21" b/w TV with US standard VHF Tuner channels 2 thru 13, 14 thru 83 UHF. Equipped with chassis DBU, VHF-UHF tuner CL5220-1 and picture tube 21ALP4 or 21ALP4A.
- Literaturnachweis
- Photofact Folder, Howard W. SAMS (Set 350 Folder 18-S date 3-57)
- Literatur/Schema (1)
- Photofact Folder, Howard W. SAMS (Set 365 Folder 10 dated 7-57)
- Autor
- Modellseite von Dirk Taekels angelegt. Siehe bei "Änderungsvorschlag" für weitere Mitarbeit.
- Weitere Modelle
-
Hier finden Sie 608 Modelle, davon 273 mit Bildern und 556 mit Schaltbildern.
Alle gelisteten Radios usw. von Olympic Radio & Television, Inc.; New York (NY)