1KC41 Ch= CC
Olympic Radio & Television, Inc.; New York (NY)
- País
- Estados Unidos
- Fabricante / Marca
- Olympic Radio & Television, Inc.; New York (NY)
- Año
- 1956 ?
- Categoría
- Televisión (TV) o monitor
- Radiomuseum.org ID
- 284517
Haga clic en la miniatura esquemática para solicitarlo como documento gratuito.
- Numero de valvulas
- 17
- Válvulas
- 6BQ7A 6J6 6CF6 6CF6 6U8 6AW8 6AU6 6BN6 6DG6GT or 6W6GT 12AU7 12B4A 6SN7GT 6DQ8 6AX4GT 1B3GT 5U4G 21ALP4B
- Principio principal
- Superheterodino con paso previo de RF
- Gama de ondas
- VHF/UHF (see notes for details)
- Tensión de funcionamiento
- Red: Corriente alterna (CA, Inglés = AC) / 60 cycle 110-120 Volt
- Altavoz
- Altavoz dinámico (de imán permanente) / Ø 8 inch = 20.3 cm
- Material
- Madera
- de Radiomuseum.org
- Modelo: 1KC41 Ch= CC - Olympic Radio & Television,
- Forma
- Sobremesa de cualquier forma, detalles no conocidos.
- Anotaciones
-
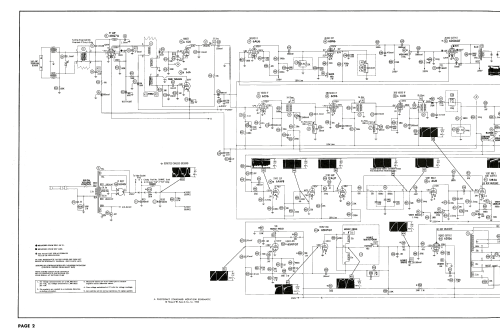
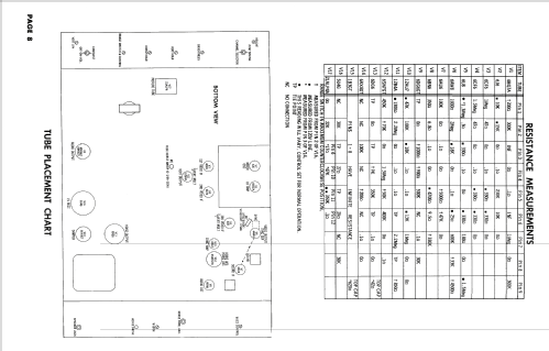
The OLYMPIC model 1KC41 is a 21" b/w TV with US standard VHF Tuner channels 2 thru 13 . Equipped with Chassis "CC" and picture tube 21ALP4B.
- Documentación / Esquemas (1)
- Photofact Folder, Howard W. SAMS (Set 340 Folder 13 dated 12-56)
- Documentación / Esquemas (2)
- Photofact Folder, Howard W. SAMS (Set 323 Folder 13-S dated 1956)
- Autor
- Modelo creado por Dirk Taekels. Ver en "Modificar Ficha" los participantes posteriores.
- Otros modelos
-
Donde encontrará 608 modelos, 273 con imágenes y 556 con esquemas.
Ir al listado general de Olympic Radio & Television, Inc.; New York (NY)