1KD81U Ch= DDU
Olympic Radio & Television, Inc.; New York (NY)
- Country
- United States of America (USA)
- Manufacturer / Brand
- Olympic Radio & Television, Inc.; New York (NY)
- Year
- 1957 ?
- Category
- Television Receiver (TV) or Monitor
- Radiomuseum.org ID
- 245092
Click on the schematic thumbnail to request the schematic as a free document.
- Number of Tubes
- 18
- Valves / Tubes
- 6BK7A 6U8 6AF4A 6CF6 6BZ6 6U8 6AW8 6AU6 6BN6 6W6GT or 6DG6GT 12AU7 12B4A 6SN7GT 6DQ6 6AX4GT 1B3GT 5U4GA or 5U4G 21AMP4A
- Main principle
- Superhet with RF-stage
- Wave bands
- VHF incl. FM and/or UHF (see notes for details)
- Power type and voltage
- Alternating Current supply (AC) / 60 Hz, 117V = 110 -120 Volt
- Loudspeaker
- Permanent Magnet Dynamic (PDyn) Loudspeaker (moving coil) / Ø 4 inch = 10.2 cm
- from Radiomuseum.org
- Model: 1KD81U Ch= DDU - Olympic Radio & Television,
- Notes
-
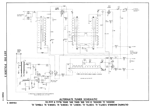
The Olympic 1KD81U is a 21" b/w TV with US standard VHF Tuner channels 2 thru 13, 14 thru 83 UHF. Equipped with chassis DDU and picture tube 21AMP4A.
- Mentioned in
- Photofact Folder, Howard W. SAMS (Set 351, Folder 22-S, Date 1957)
- Literature/Schematics (1)
- ROU:Revista "Corriente Alterna" Nº 523
- Literature/Schematics (2)
- Photofact Folder, Howard W. SAMS (Set 362, Folder 4 Dated 6-57)
- Author
- Model page created by Konrad Birkner † 12.08.2014. See "Data change" for further contributors.
- Other Models
-
Here you find 608 models, 273 with images and 556 with schematics for wireless sets etc. In French: TSF for Télégraphie sans fil.
All listed radios etc. from Olympic Radio & Television, Inc.; New York (NY)