1KD82 Ch= DD
Olympic Radio & Television, Inc.; New York (NY)
- Pays
- Etats-Unis
- Fabricant / Marque
- Olympic Radio & Television, Inc.; New York (NY)
- Année
- 1957 ?
- Catégorie
- Récepteur de télévision ou moniteur
- Radiomuseum.org ID
- 245100
Cliquez sur la vignette du schéma pour le demander en tant que document gratuit.
- No. de tubes
- 17
- Lampes / Tubes
- 6CL8 6BS8 6CF6 6BZ6 6U8 6AW8 6AU6 6BN6 6W6GT or 6DG6GT 12AU7 12B4A 6SN7GT 6DQ6 6AX4GT 1B3GT 5U4GA or 5U4G 21AMP4A
- Principe général
- Super hétérodyne avec étage HF
- Gammes d'ondes
- VHF/UHF (voir details en note)
- Tension / type courant
- Alimentation Courant Alternatif (CA) / 60 Hz, 117V = 110 -120 Volt
- Haut-parleur
- HP dynamique à aimant permanent + bobine mobile / Ø 8 inch = 20.3 cm
- De Radiomuseum.org
- Modèle: 1KD82 Ch= DD - Olympic Radio & Television,
- Remarques
-
The Olympic 1KD82 is a US standard VHF Tuner channels 2 thru 13. Equipped with chassis DD and picture tube 21AMP4A.
- Littérature
- Photofact Folder, Howard W. SAMS (Set 351, Folder 22-S, 1957)
- Schémathèque (1)
- ROU:Revista "Corriente Alterna" Nº 523
- Schémathèque (2)
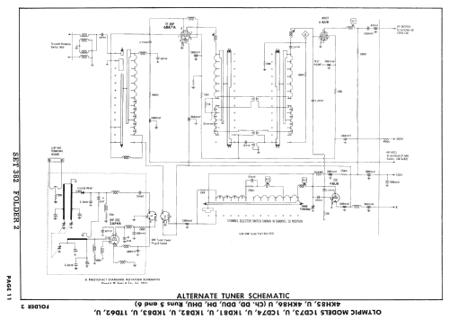
- Photofact Folder, Howard W. SAMS (Set 362 Folder 4 dated 6-57)
- Auteur
- Modèle crée par Konrad Birkner † 12.08.2014. Voir les propositions de modification pour les contributeurs supplémentaires.
- D'autres Modèles
-
Vous pourrez trouver sous ce lien 608 modèles d'appareils, 273 avec des images et 556 avec des schémas.
Tous les appareils de Olympic Radio & Television, Inc.; New York (NY)