1TB11 Ch= CB
Olympic Radio & Television, Inc.; New York (NY)
- Pays
- Etats-Unis
- Fabricant / Marque
- Olympic Radio & Television, Inc.; New York (NY)
- Année
- 1956 ?
- Catégorie
- Récepteur de télévision ou moniteur
- Radiomuseum.org ID
- 282498
Cliquez sur la vignette du schéma pour le demander en tant que document gratuit.
- No. de tubes
- 15
- Lampes / Tubes
- 6BC5 6AT8 6CB6 6CB6 6AW8 6BN6 6DG6GT or 6W6GT 12AU7 12BH7 6SN7GTB 6DQ6 or 6CU6 6AX4GT 1B3GT 5U4G 21AUP4 or 21AUP4A
- Principe général
- Super hétérodyne avec étage HF
- Gammes d'ondes
- VHF/UHF (voir details en note)
- Tension / type courant
- Alimentation Courant Alternatif (CA) / 60 cycle 110-120 Volt
- Haut-parleur
- HP dynamique à aimant permanent + bobine mobile / Ø 4 inch = 10.2 cm
- Matière
- Boitier en bois
- De Radiomuseum.org
- Modèle: 1TB11 Ch= CB - Olympic Radio & Television,
- Forme
- Modèle de table générique
- Remarques
-
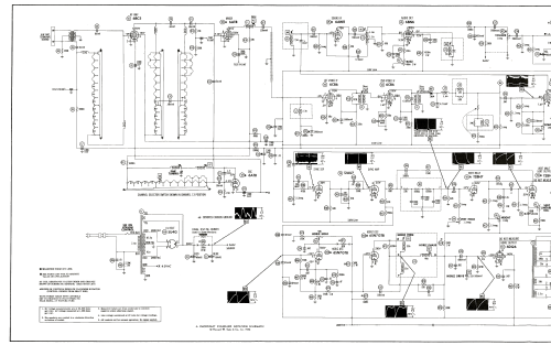
OLYMPIC model 1TB11 is a 21" b/w TV with US standard VHF Tuner channels 2 thru 13, equipped with VHF-tuner CL4307, chassis "CB" and picture tube 21AUP4 or 21AUP4A.
.
- Schémathèque (1)
- Photofact Folder, Howard W. SAMS (Set 338 Folder 8 dated 11-56)
- Schémathèque (2)
- Photofact Folder, Howard W. SAMS (Set 322 Folder F16-S)
- Auteur
- Modèle crée par Dirk Taekels. Voir les propositions de modification pour les contributeurs supplémentaires.
- D'autres Modèles
-
Vous pourrez trouver sous ce lien 608 modèles d'appareils, 273 avec des images et 556 avec des schémas.
Tous les appareils de Olympic Radio & Television, Inc.; New York (NY)