21TF60 Ch= AF
Olympic Radio & Television, Inc.; New York (NY)
- Country
- United States of America (USA)
- Manufacturer / Brand
- Olympic Radio & Television, Inc.; New York (NY)
- Year
- 1955 ?
- Category
- Television Receiver (TV) or Monitor
- Radiomuseum.org ID
- 333395
Click on the schematic thumbnail to request the schematic as a free document.
- Number of Tubes
- 17
- Valves / Tubes
- 6BC5 6J6 6CB6 6CB6 6CB6 12BY7A 6AU6 6BN6 6W6GT 12AU7A 12BH7 6SN7GTA 6CU6 6AX4GT 1B3GT 5U4G 21AUP4
- Main principle
- Superhet with RF-stage
- Wave bands
- Wave Bands given in the notes.
- Power type and voltage
- Alternating Current supply (AC) / 60 Hz, 117V = 110 -120 Volt
- Loudspeaker
- Permanent Magnet Dynamic (PDyn) Loudspeaker (moving coil)
- Material
- Wooden case
- from Radiomuseum.org
- Model: 21TF60 Ch= AF - Olympic Radio & Television,
- Shape
- Tablemodel, with any shape - general.
- Notes
-
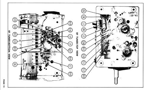
Olympic model 21TF60 is a 21” b/w TV with US standard VHF tuner channels 2 thru 13.
Equipped with chassis AF, VHF tuner CL-3865-1 and picture tube 21AUP4.
- Literature/Schematics (1)
- Photofact Folder, Howard W. SAMS (Set 303 Folder 8 dated 1-56)
- Author
- Model page created by Dirk Taekels. See "Data change" for further contributors.
- Other Models
-
Here you find 608 models, 273 with images and 556 with schematics for wireless sets etc. In French: TSF for Télégraphie sans fil.
All listed radios etc. from Olympic Radio & Television, Inc.; New York (NY)