24CJ68 Ch= AJ (Q Series)
Olympic Radio & Television, Inc.; New York (NY)
- Country
- United States of America (USA)
- Manufacturer / Brand
- Olympic Radio & Television, Inc.; New York (NY)
- Year
- 1956 ?
- Category
- Television Receiver (TV) or Monitor
- Radiomuseum.org ID
- 336096
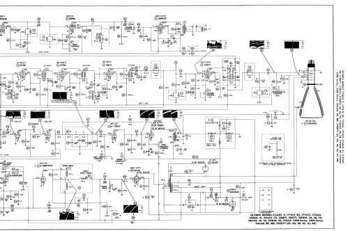
Click on the schematic thumbnail to request the schematic as a free document.
- Number of Tubes
- 17
- Valves / Tubes
- 6BQ7A 6J6 6CB6 6CB6 6BC5 12BY7 6AU6 6BN6 6W6GT 12AU7 12BH7 6SN7GTA 6CU6 6AX4GT 1B3GT 5U4G 21ALP4A
- Main principle
- Superhet with RF-stage
- Wave bands
- Wave Bands given in the notes.
- Power type and voltage
- Alternating Current supply (AC) / 60 Hz, 117V = 110 -120 Volt
- Loudspeaker
- Permanent Magnet Dynamic (PDyn) Loudspeaker (moving coil)
- Material
- Wooden case
- from Radiomuseum.org
- Model: 24CJ68 Ch= AJ - Olympic Radio & Television,
- Shape
- Tablemodel, with any shape - general.
- Notes
- 
        Olympic model 24CJ68 is a 21” b/w TV with US standard VHF tuner channels 2 thru 13. 
 Equipped with chassis AJ, VHF- Tuner CL3815 and picture tube 21ALP4A.
- Literature/Schematics (1)
- Photofact Folder, Howard W. SAMS (Set 306 Folder 11 dated 2-56)
- Author
- Model page created by Dirk Taekels. See "Data change" for further contributors.
- Other Models
- 
        Here you find 608 models, 273 with images and 556 with schematics for wireless sets etc. In French: TSF for Télégraphie sans fil. 
 All listed radios etc. from Olympic Radio & Television, Inc.; New York (NY)
 
                
                
                
                
                
                
                
                
                
                
                
                
                
                
                
                
                
               