4KH85 Ch= DH
Olympic Radio & Television, Inc.; New York (NY)
- Country
- United States of America (USA)
- Manufacturer / Brand
- Olympic Radio & Television, Inc.; New York (NY)
- Year
- 1957 ?
- Category
- Television Receiver (TV) or Monitor
- Radiomuseum.org ID
- 245136
Click on the schematic thumbnail to request the schematic as a free document.
- Number of Tubes
- 17
- Valves / Tubes
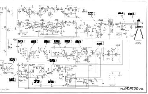
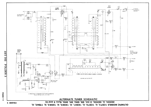
- 6CL8 6BS8 6CF6 6BZ6 6U8 6AW8 6AU6 6BN6 6W6GT or 6DG6GT 12AU7 12B4A 6SN7GT 6DQ6 6AX4GT 1B3GT 5U4GA or 5U4G 21AMP4A
- Main principle
- Superhet with RF-stage
- Wave bands
- VHF incl. FM and/or UHF (see notes for details)
- Power type and voltage
- Alternating Current supply (AC) / 60 Hz, 117V = 110 -120 Volt
- Loudspeaker
- Permanent Magnet Dynamic (PDyn) Loudspeaker (moving coil) / Ø 8 inch = 20.3 cm
- from Radiomuseum.org
- Model: 4KH85 Ch= DH - Olympic Radio & Television,
- Shape
- Tablemodel, with any shape - general.
- Notes
-
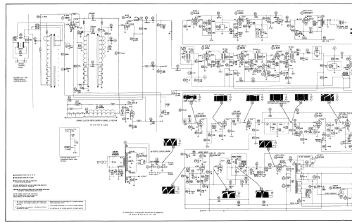
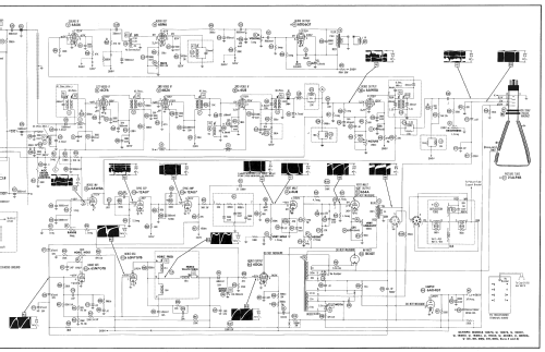
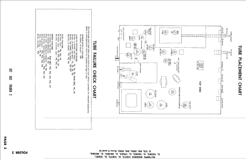
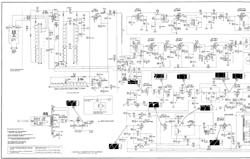
The Olympic 4K85 is a 21" b/w TV with US standard VHF Tuner channels 2 thru 13. Equipped with chassis DH and picture tube 21AMP4A.
- Mentioned in
- Photofact Folder, Howard W. SAMS (Set 351, Folder 22-S, Date 1957)
- Literature/Schematics (1)
- Photofact Folder, Howard W. SAMS (Set 362 Folder 4 dated 6-57)
- Literature/Schematics (2)
- -- Schematic
- Author
- Model page created by Konrad Birkner † 12.08.2014. See "Data change" for further contributors.
- Other Models
-
Here you find 608 models, 273 with images and 556 with schematics for wireless sets etc. In French: TSF for Télégraphie sans fil.
All listed radios etc. from Olympic Radio & Television, Inc.; New York (NY)