- Country
- United States of America (USA)
- Manufacturer / Brand
- Olympic Radio & Television, Inc.; New York (NY)
- Year
- 1946
- Category
- Broadcast Receiver - or past WW2 Tuner
- Radiomuseum.org ID
- 49829
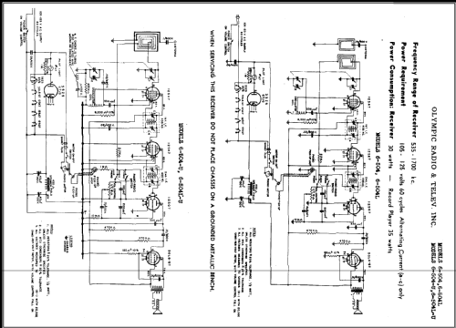
Click on the schematic thumbnail to request the schematic as a free document.
- Number of Tubes
- 5
- Main principle
- Superheterodyne (common); ZF/IF 455 kHz; 2 AF stage(s)
- Tuned circuits
- 6 AM circuit(s)
- Wave bands
- Broadcast only (MW).
- Details
- Record Player (perh.Changer)
- Power type and voltage
- Alternating Current supply (AC) / 105 - 125 Volt
- Loudspeaker
- Electro Magnetic Dynamic LS (moving-coil with field excitation coil) / Ø 5 inch = 12.7 cm
- from Radiomuseum.org
- Model: 6-504U - Olympic Radio & Television,
- Shape
- Tablemodel, with any shape - general.
- External source of data
- Ernst Erb
- Circuit diagram reference
- Rider's Perpetual, Volume 15 = 1947 and before
- Other Models
-
Here you find 608 models, 273 with images and 556 with schematics for wireless sets etc. In French: TSF for Télégraphie sans fil.
All listed radios etc. from Olympic Radio & Television, Inc.; New York (NY)