- Country
- United States of America (USA)
- Manufacturer / Brand
- Olympic Radio & Television, Inc.; New York (NY)
- Year
- 1948
- Category
- Broadcast Receiver - or past WW2 Tuner
- Radiomuseum.org ID
- 49882
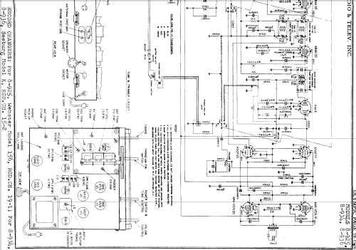
Click on the schematic thumbnail to request the schematic as a free document.
- Number of Tubes
- 10
- Main principle
- Superhet with RF-stage; ZF/IF 455/10700 kHz
- Tuned circuits
- 7 AM circuit(s) 9 FM circuit(s)
- Wave bands
- Broadcast (BC) and FM or UHF.
- Details
- Changer (Record changer)
- Power type and voltage
- Alternating Current supply (AC) / 105-125 Volt
- Loudspeaker
- Electro Magnetic Dynamic LS (moving-coil with field excitation coil)
- from Radiomuseum.org
- Model: 8-936 - Olympic Radio & Television,
- Shape
- Console with any shape - in general
- External source of data
- Ernst Erb
- Source of data
- The Radio Collector's Directory and Price Guide 1921 - 1965
- Circuit diagram reference
- Rider's Perpetual, Volume 19 = 1949 and before
- Literature/Schematics (1)
- Photofact Folder, Howard W. SAMS (Set 45 Folder 19 dated 09-48)
- Other Models
-
Here you find 608 models, 273 with images and 556 with schematics for wireless sets etc. In French: TSF for Télégraphie sans fil.
All listed radios etc. from Olympic Radio & Television, Inc.; New York (NY)