CF401 Ch= GF
Olympic Radio & Television, Inc.; New York (NY)
- Land
- USA
- Hersteller / Marke
- Olympic Radio & Television, Inc.; New York (NY)
- Jahr
- 1958
- Kategorie
- Fernseh-Empfänger/Monitor
- Radiomuseum.org ID
- 185438
Klicken Sie auf den Schaltplanausschnitt, um diesen kostenlos als Dokument anzufordern.
- Anzahl Röhren
- 16
- Röhren
- 21CBP4
- Hauptprinzip
- Super mit HF-Vorstufe
- Wellenbereiche
- VHF/UHF (siehe Bemerkungen)
- Betriebsart / Volt
- Wechselstromspeisung / 110 - 120 Volt
- Lautsprecher
- Dynamischer LS, keine Erregerspule (permanentdynamisch)
- von Radiomuseum.org
- Modell: CF401 Ch= GF - Olympic Radio & Television,
- Bemerkung
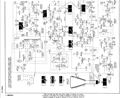
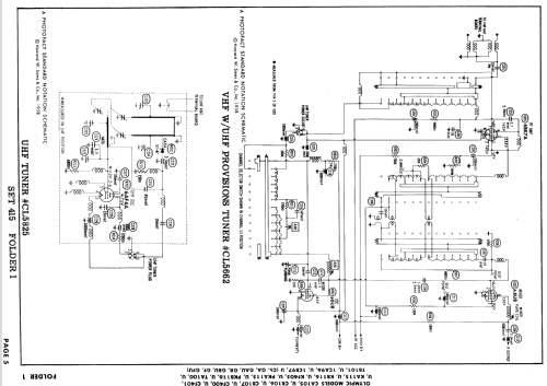
- 21" b/w TV with US standard VHF Tuner, Channels 2 thru 13, 14 thru 83 UHF. Some models are available with 24" Picture Tube 21AEP4.
- Literatur/Schema (1)
- Photofact Folder, Howard W. SAMS (Date 10-58, Set 415, Folder 1)
- Autor
- Modellseite von Egon Penker angelegt. Siehe bei "Änderungsvorschlag" für weitere Mitarbeit.
- Weitere Modelle
-
Hier finden Sie 608 Modelle, davon 273 mit Bildern und 556 mit Schaltbildern.
Alle gelisteten Radios usw. von Olympic Radio & Television, Inc.; New York (NY)