CJ412U Ch= HJU
Olympic Radio & Television, Inc.; New York (NY)
- Country
- United States of America (USA)
- Manufacturer / Brand
- Olympic Radio & Television, Inc.; New York (NY)
- Year
- 1958
- Category
- Television Receiver (TV) or Monitor
- Radiomuseum.org ID
- 186886
Click on the schematic thumbnail to request the schematic as a free document.
- Number of Tubes
- 17
- Valves / Tubes
- 21CBP4A
- Main principle
- Superhet with RF-stage
- Wave bands
- VHF incl. FM and/or UHF (see notes for details)
- Power type and voltage
- Alternating Current supply (AC) / 110 - 120 Volt
- Loudspeaker
- 2 Loudspeakers
- from Radiomuseum.org
- Model: CJ412U Ch= HJU - Olympic Radio & Television,
- Notes
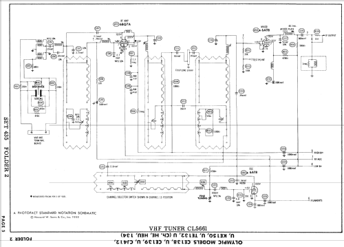
- 21" b/w TV with US standard VHF Tuner Channels 2 thru 13, 14 thru 83 UHF. Tubes UHF: 18. Some models use the picture tube 24AEP4.
- Literature/Schematics (1)
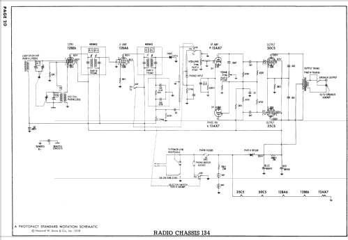
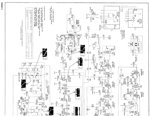
- Photofact Folder, Howard W. SAMS (Date 3-59, Set 435, Folder 2)
- Author
- Model page created by Egon Penker. See "Data change" for further contributors.
- Other Models
-
Here you find 608 models, 273 with images and 556 with schematics for wireless sets etc. In French: TSF for Télégraphie sans fil.
All listed radios etc. from Olympic Radio & Television, Inc.; New York (NY)