KB116U Ch= GBU
Olympic Radio & Television, Inc.; New York (NY)
- Country
- United States of America (USA)
- Manufacturer / Brand
- Olympic Radio & Television, Inc.; New York (NY)
- Year
- 1958
- Category
- Television Receiver (TV) or Monitor
- Radiomuseum.org ID
- 185432
Click on the schematic thumbnail to request the schematic as a free document.
- Number of Tubes
- 16
- Valves / Tubes
- 21CBP4
- Main principle
- Superhet with RF-stage
- Wave bands
- VHF incl. FM and/or UHF (see notes for details)
- Power type and voltage
- Alternating Current supply (AC) / 110 - 120 Volt
- Loudspeaker
- Permanent Magnet Dynamic (PDyn) Loudspeaker (moving coil)
- from Radiomuseum.org
- Model: KB116U Ch= GBU - Olympic Radio & Television,
- Notes
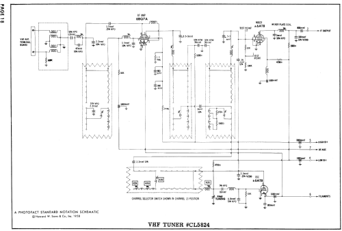
- 21" b/w TV with US standard VHF Tuner, Channels 2 thru 13, 14 thru 83 UHF. Some models are available with 24" Picture Tube 21AEP4.
- Literature/Schematics (1)
- Photofact Folder, Howard W. SAMS (Date 10-58, Set 415, Folder 1)
- Author
- Model page created by Egon Penker. See "Data change" for further contributors.
- Other Models
-
Here you find 608 models, 273 with images and 556 with schematics for wireless sets etc. In French: TSF for Télégraphie sans fil.
All listed radios etc. from Olympic Radio & Television, Inc.; New York (NY)