- Pays
- Allemagne
- Fabricant / Marque
- Optima Büromaschinenwerk Erfurt (VEB, Ostd.)
- Année
- 1985
- Catégorie
- Enrégistreur et/ou reproducteur son/video
- Radiomuseum.org ID
- 88360
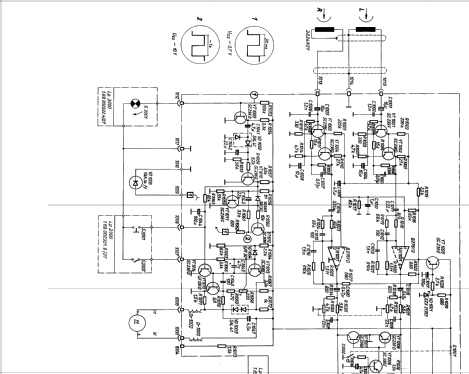
Cliquez sur la vignette du schéma pour le demander en tant que document gratuit.
- No. de transistors
- 15
- Principe général
- Amplification audio
- Particularités
- Magnétophone à cassettes
- Tension / type courant
- Accumulateur (par exemple pour autoradios ou radio) / 12 Volt
- Haut-parleur
- - Ce modèle nécessite des HP externes
- Puissance de sortie
- 8 W (qualité inconnue)
- Matière
- Boitier métallique
- De Radiomuseum.org
- Modèle: RA8001 - Optima Büromaschinenwerk
- Forme
- Chassis (pour intégration dans meuble)
- Dimensions (LHP)
- 180 x 45 x 120 mm / 7.1 x 1.8 x 4.7 inch
- Remarques
-
Auto-Stereo-Kassettenabspielgerät RA 8001 war das erste seiner Art in der DDR. Wiedergabe: bei Verwendung von CrO2-Band: 80...12.500 Hz, Fe2O3-Band: 80...10.000 Hz. Ausgangsleistung 2× 4 W an 4 Ω.
Automatische Motorabschaltung am Bandende bei gleichzeitiger Anzeige durch blinkende LED, die LED leuchte im Normalbetrieb dauerhaft.
Halbleiter nur einmal aufgeführt.
- Poids net
- 1.5 kg / 3 lb 4.9 oz (3.304 lb)
- Prix de mise sur le marché
- 495.00 Mark
- Littérature
- -- Original-techn. papers. (Sortimentskatalog Elektroakustik (DDR, 1987))
- Auteur
- Modèle crée par Wolfgang Lill. Voir les propositions de modification pour les contributeurs supplémentaires.
- D'autres Modèles
-
Vous pourrez trouver sous ce lien 3 modèles d'appareils, 3 avec des images et 1 avec des schémas.
Tous les appareils de Optima Büromaschinenwerk Erfurt (VEB, Ostd.)
Collections
Le modèle fait partie des collections des membres suivants.