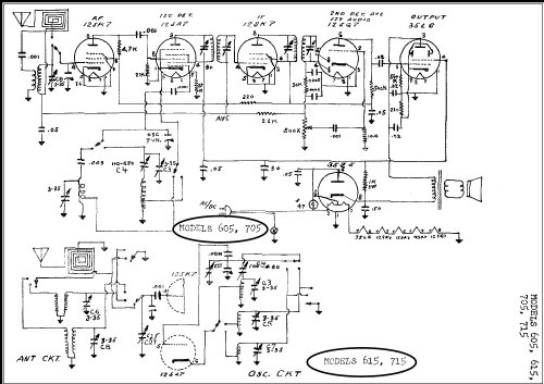
715

Orthon

  • Année
  • 1952 ??
  • Catégorie
  • Radio - ou tuner d'après la guerre 1939-45
  • Radiomuseum.org ID
  • 49934

Cliquez sur la vignette du schéma pour le demander en tant que document gratuit.

 Spécifications techniques

  • No. de tubes
  • 6
  • Principe général
  • Super hétérodyne avec étage HF; FI/IF 455 kHz; 2 Etage(s) BF
  • Circuits accordés
  • 6 Circuits MA (AM)
  • Gammes d'ondes
  • PO et 2 x OC
  • Tension / type courant
  • Alimentation Courant Alternatif (CA) / 105-125;220-230 Volt
  • Haut-parleur
  • HP dynamique à aimant permanent + bobine mobile
  • De Radiomuseum.org
  • Modèle: 715 - Orthon
  • Source extérieure
  • Ernst Erb
  • Source du schéma
  • Rider's Perpetual, Volume 20 covering 1950
  • D'autres Modèles
  • Vous pourrez trouver sous ce lien 4 modèles d'appareils, 0 avec des images et 4 avec des schémas.
    Tous les appareils de Orthon

 Collections | Musées | Littérature

 Forum