- Country
- United States of America (USA)
- Manufacturer / Brand
- Pacific Radio Corp.; Chicago, IL
- Year
- 1938 ?
- Category
- Car Radio, perhaps also + sound player/recorder
- Radiomuseum.org ID
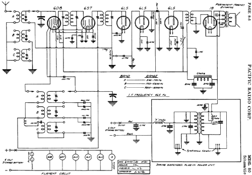
- 50030
Click on the schematic thumbnail to request the schematic as a free document.
- Number of Tubes
- 6
- Main principle
- Superheterodyne (common); ZF/IF 465 kHz
- Tuned circuits
- 6 AM circuit(s)
- Wave bands
- Broadcast plus 2 Short Wave bands.
- Power type and voltage
- Storage Battery for all (e.g. for car radios and amateur radios) / 6 Volt
- Loudspeaker
- Permanent Magnet Dynamic (PDyn) Loudspeaker (moving coil)
- from Radiomuseum.org
- Model: 80 - Pacific Radio Corp.; Chicago,
- Notes
-
Synchr. vibrator for +B.
- External source of data
- Ernst Erb
- Circuit diagram reference
- Rider's Perpetual, Volume 8 = 1937 and before
- Other Models
-
Here you find 127 models, 82 with images and 56 with schematics for wireless sets etc. In French: TSF for Télégraphie sans fil.
All listed radios etc. from Pacific Radio Corp.; Chicago, IL