21Dk1U Ch= 98D1
Packard Bell Co.; Los Angeles (CA)
- Country
- United States of America (USA)
- Manufacturer / Brand
- Packard Bell Co.; Los Angeles (CA)
- Year
- 1958 ?
- Category
- Television Receiver (TV) or Monitor
- Radiomuseum.org ID
- 327327
Click on the schematic thumbnail to request the schematic as a free document.
- Number of Tubes
- 20
- Valves / Tubes
- 6BZ7 6U8 6AF4 6CB6 6CB6 6AS8 6AW8 6AN8 6AU6 6T8 6AQ5 6BY6 6S4 6AL5 6CG7 6BQ6GTB 6AX4GT 1B3GT 5U4GB 21ALP4A
- Main principle
- Superhet with RF-stage
- Wave bands
- Wave Bands given in the notes.
- Power type and voltage
- Alternating Current supply (AC) / 60 Hz, 117V = 110 -120 Volt
- Loudspeaker
- 2 Loudspeakers
- Material
- Wooden case
- from Radiomuseum.org
- Model: 21Dk1U Ch= 98D1 - Packard Bell Co.; Los Angeles
- Shape
- Tablemodel, with any shape - general.
- Notes
-
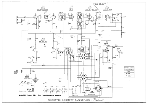
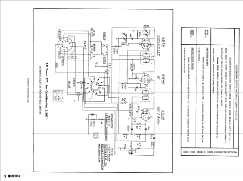
Packard - Bell model 21DK1 - U is a 21" b/w TV with US standard VHF tuner channels 2 thru 13, 14 thru 83 UHF. Equipped with chassis 98D1 ,VHF-UHF Tuner 10544 and picture tube 21ALP4A.
- Mentioned in
- Photofact Folder, Howard W. SAMS (Set 400 Production Changes Bulletin 210 dated 5-58)
- Literature/Schematics (1)
- Photofact Folder, Howard W. SAMS ((Set 367 Folder 1 Production changes bulletin 189 dated 8-57))
- Literature/Schematics (2)
- Photofact Folder, Howard W. SAMS ((Set 318 Folder 9 dated 5-56))
- Author
- Model page created by Dirk Taekels. See "Data change" for further contributors.
- Other Models
-
Here you find 401 models, 200 with images and 354 with schematics for wireless sets etc. In French: TSF for Télégraphie sans fil.
All listed radios etc. from Packard Bell Co.; Los Angeles (CA)