602 Early,12SA7
Packard Bell Co.; Los Angeles (CA)
- Pays
- Etats-Unis
- Fabricant / Marque
- Packard Bell Co.; Los Angeles (CA)
- Année
- 1949 ?
- Catégorie
- Radio - ou tuner d'après la guerre 1939-45
- Radiomuseum.org ID
- 50157
Cliquez sur la vignette du schéma pour le demander en tant que document gratuit.
- No. de tubes
- 6
- Principe général
- Super hétérodyne avec étage HF; FI/IF 455 kHz; 2 Etage(s) BF
- Circuits accordés
- 6 Circuits MA (AM)
- Gammes d'ondes
- PO uniquement
- Tension / type courant
- Appareil tous courants (CA / CC) / 110 - 120 Volt
- Haut-parleur
- 2 HP / Ø 4 inch = 10.2 cm
- Puissance de sortie
- 1.7 W (qualité inconnue)
- Matière
- Boitier en bois
- De Radiomuseum.org
- Modèle: 602 [Early,12SA7] - Packard Bell Co.; Los Angeles
- Forme
- Modèle de table générique
- Dimensions (LHP)
- 13.6 x 8.5 x 6 inch / 345 x 216 x 152 mm
- Remarques
- Color=Walnut bleach
- Poids net
- 3.2 kg / 7 lb 0.8 oz (7.048 lb)
- Source extérieure
- Ernst Erb
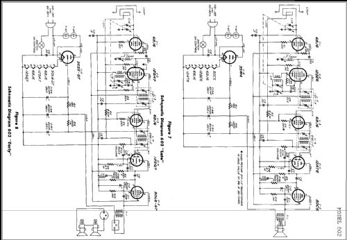
- Source du schéma
- Rider's Perpetual, Volume 22, covering 1951
- D'autres Modèles
-
Vous pourrez trouver sous ce lien 401 modèles d'appareils, 200 avec des images et 354 avec des schémas.
Tous les appareils de Packard Bell Co.; Los Angeles (CA)