National RQ-309AE
Panasonic, Matsushita, National ナショナル (also tubes); Osaka
- Country
- Japan
- Manufacturer / Brand
- Panasonic, Matsushita, National ナショナル (also tubes); Osaka
- Year
- 1976 ?
- Category
- Sound/Video Recorder and/or Player
- Radiomuseum.org ID
- 323580
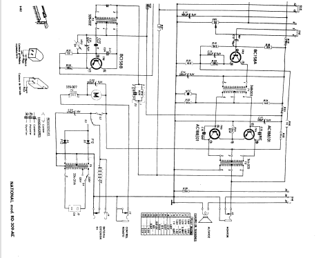
Click on the schematic thumbnail to request the schematic as a free document.
- Number of Transistors
- 6
- Main principle
- Audio-Amplification
- Wave bands
- - without
- Details
- Cassette-Recorder or -Player; Remote Control (with wire or wireless)
- Power type and voltage
- Line plus power jack, mostly with battery or storage battery / AC 125; 220 / DC 6 / 4 x 1.5 Volt
- Loudspeaker
- Permanent Magnet Dynamic (PDyn) Loudspeaker (moving coil) / Ø 9 cm = 3.5 inch
- Power out
- 1.5 W (unknown quality)
- Material
- Plastics (no bakelite or catalin)
- from Radiomuseum.org
- Model: National RQ-309AE - Panasonic, Matsushita,
- Shape
- Portable set > 8 inch (also usable without mains)
- Dimensions (WHD)
- 140 x 70 x 260 mm / 5.5 x 2.8 x 10.2 inch
- Mentioned in
- -- Schematic (Esquemario de Magnetófonos y cassettes IV 1977)
- Author
- Model page created by Toni Gutiérrez García. See "Data change" for further contributors.
- Other Models
-
Here you find 3128 models, 2912 with images and 647 with schematics for wireless sets etc. In French: TSF for Télégraphie sans fil.
All listed radios etc. from Panasonic, Matsushita, National ナショナル (also tubes); Osaka