- Produttore / Marca
- Pentron Corporation; Chicago (IL)
- Anno
- 1952 ?
- Categoria
- Radio (o sintonizzatore del dopoguerra WW2)
- Radiomuseum.org ID
- 196280
Clicca sulla miniatura dello schema per richiederlo come documento gratuito.
- Numero di tubi
- 3
- Principio generale
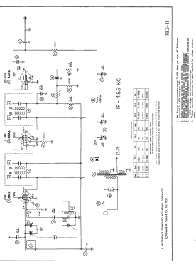
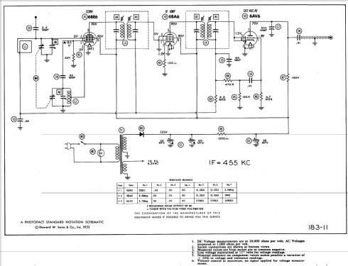
- Supereterodina (in generale); ZF/IF 455 kHz; 1 Stadi BF
- N. di circuiti accordati
- 6 Circuiti Mod. Amp. (AM)
- Gamme d'onda
- Solo onde medie (OM).
- Tensioni di funzionamento
- Alimentazione a corrente alternata (CA) / 60Hz, 117V=110-120 Volt
- Altoparlante
- - Per cuffie o amplificatori esterni
- Materiali
- Mobile di metallo
- Radiomuseum.org
- Modello: AM-T - Pentron Corporation; Chicago
- Forma
- Soprammobile compatto/con bordi arrotondati/midget senza pulsantiera/tastiera.<= 35 cm (Sometimes with handle but for mains only).
- Annotazioni
-
Pentron model AM-T is an AC operated AM superheterodyne tuner with self-contained power supply.
- Letteratura / Schemi (1)
- Photofact Folder, Howard W. SAMS (Set 183, folder 11, dated 10-52)
- Autore
- Modello inviato da Richard Watts. Utilizzare "Proponi modifica" per inviare ulteriori dati.
- Altri modelli
-
In questo link sono elencati 63 modelli, di cui 52 con immagini e 48 con schemi.
Elenco delle radio e altri apparecchi della Pentron Corporation; Chicago (IL)