- Pays
- Royaume Uni
- Fabricant / Marque
- Perdio Electronics Ltd. / Products Ltd.; London, Stanmore
- Année
- 1965 ?
- Catégorie
- Radio - ou tuner d'après la guerre 1939-45
- Radiomuseum.org ID
- 176291
Cliquez sur la vignette du schéma pour le demander en tant que document gratuit.
- No. de transistors
- 7
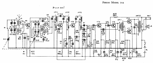
- Principe général
- Super hétérodyne (en général); FI/IF 470 kHz; 3 Etage(s) BF
- Circuits accordés
- 5 Circuits MA (AM)
- Gammes d'ondes
- PO et GO
- Tension / type courant
- Piles sèches / 9 Volt
- Haut-parleur
- HP dynamique à aimant permanent + bobine mobile / Ø 7 cm = 2.8 inch
- Puissance de sortie
- 0.15 W (qualité inconnue)
- Matière
- Plastique moderne (pas de bakélite, ni de catalin)
- De Radiomuseum.org
- Modèle: 712 - Perdio Electronics Ltd. /
- Forme
- Portable, appareil de poche. Taille < 20cm
- Dimensions (LHP)
- 140 x 80 x 35 mm / 5.5 x 3.1 x 1.4 inch
- Remarques
- Compact portable radio. Transistors are not British types, the set was probably an import.
- Poids net
- 0.310 kg / 0 lb 10.9 oz (0.683 lb)
- Source
- -- Schematic
- Source du schéma
- Radio and TV Servicing books (R&TVS) book
- Auteur
- Modèle crée par Keith Staines. Voir les propositions de modification pour les contributeurs supplémentaires.
- D'autres Modèles
-
Vous pourrez trouver sous ce lien 63 modèles d'appareils, 53 avec des images et 39 avec des schémas.
Tous les appareils de Perdio Electronics Ltd. / Products Ltd.; London, Stanmore