- Produttore / Marca
- Philco, Philadelphia Stg. Batt. Co.; USA
- Anno
- 1959
- Categoria
- Televisore (TV) / Monitor
- Radiomuseum.org ID
- 212332
Clicca sulla miniatura dello schema per richiederlo come documento gratuito.
- Numero di tubi
- 17
- Valvole
- 6X8 6BC8 6AF4A or 6AF4B 6AM8A or 6AM8 6DE6 6DE6 6BQ5 6CS7 6CS6 6U8 or 6U8A or 6EA8 6CG7 6AW8A 6DA4 6DQ6A 1G3GT 5U4GB 21DQP4
- Principio generale
- Supereterodina con stadio RF
- Gamme d'onda
- VHF/UHF (ved. i dettagli nelle note)
- Tensioni di funzionamento
- Alimentazione a corrente alternata (CA) / 105-120 Volt
- Altoparlante
- AP magnetodinamico (magnete permanente e bobina mobile)
- Materiali
- Mobile di metallo
- Radiomuseum.org
- Modello: 10L31U - Philco, Philadelphia Stg. Batt
- Forma
- Chassis o in scatola da montaggio
- Annotazioni
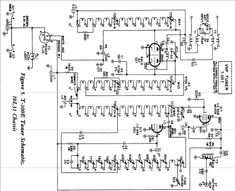
- The Philco 10L31U is a chassis for 21" b/w TV's with US standard VHF Tuner channels 2 thru 13, 14 thru 83 UHF. Used in various "H" line Philco TV's. Uses VHF tuner T-101E, UHF tuner T-28D and picture tube 21DQP4.
- Fonte dei dati
- - - Manufacturers Literature
- Autore
- Modello inviato da John Kusching. Utilizzare "Proponi modifica" per inviare ulteriori dati.
- Altri modelli
-
In questo link sono elencati 4120 modelli, di cui 2227 con immagini e 3768 con schemi.
Elenco delle radio e altri apparecchi della Philco, Philadelphia Stg. Batt. Co.; USA