- Country
- United States of America (USA)
- Manufacturer / Brand
- Philco, Philadelphia Stg. Batt. Co.; USA
- Year
- 1959
- Category
- Television Receiver (TV) or Monitor
- Radiomuseum.org ID
- 213211
Click on the schematic thumbnail to request the schematic as a free document.
- Number of Tubes
- 16
- Valves / Tubes
- 6X8 6BC8 6AM8A or 6AM8 6DE6 6DE6 6BQ5 6DR7 6CS6 6U8 or 6U8A or 6EA8 6CG7 6AW8A 6DA4 6DQ6A 1G3GT 5U4GB 21EVP4
- Main principle
- Superhet with RF-stage
- Wave bands
- VHF incl. FM and/or UHF (see notes for details)
- Power type and voltage
- Alternating Current supply (AC) / 105-120 Volt
- Loudspeaker
- Permanent Magnet Dynamic (PDyn) Loudspeaker (moving coil)
- Material
- Metal case
- from Radiomuseum.org
- Model: 10L41 - Philco, Philadelphia Stg. Batt
- Shape
- Chassis only or for «building in»
- Notes
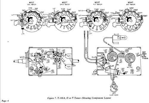
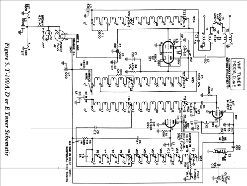
- The Philco 10L41 is a chassis for 21" b/w TV's with US standard VHF Tuner channels 2 thru 13. Used in various "H" line Philco TV's. Uses VHF tuner T-100E and picture tube 21EVP4.
- Source of data
- - - Manufacturers Literature
- Literature/Schematics (1)
- - - Manufacturers Literature
- Author
- Model page created by John Kusching. See "Data change" for further contributors.
- Other Models
-
Here you find 4126 models, 2231 with images and 3774 with schematics for wireless sets etc. In French: TSF for Télégraphie sans fil.
All listed radios etc. from Philco, Philadelphia Stg. Batt. Co.; USA