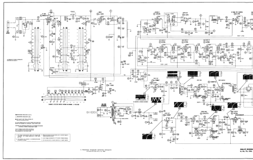
22D4138U Ch= TV330U
Philco, Philadelphia Stg. Batt. Co.; USA
- Country
- United States of America (USA)
- Manufacturer / Brand
- Philco, Philadelphia Stg. Batt. Co.; USA
- Year
- 1956 ?
- Category
- Television Receiver (TV) or Monitor
- Radiomuseum.org ID
- 262635
Click on the schematic thumbnail to request the schematic as a free document.
- Number of Tubes
- 17
- Valves / Tubes
- 6BQ7A 6X8 6CB6 6CB6 6CB6 12BY7 6AU6 6T8 6W6GT 12BR7 12BH7A 12AU7A 6CU6 6AX4GT 1B3GT 5U4G 21ZP4B
- Main principle
- Superhet with RF-stage
- Wave bands
- VHF incl. FM and/or UHF (see notes for details)
- Power type and voltage
- Alternating Current supply (AC) / 60 Hz, 117V = 110 -120 Volt
- Loudspeaker
- Permanent Magnet Dynamic (PDyn) Loudspeaker (moving coil)
- Material
- Wooden case
- from Radiomuseum.org
- Model: 22D4138U Ch= TV330U - Philco, Philadelphia Stg. Batt
- Shape
- Console, Lowboy (legs < 50 %).
- Notes
-
Philco model 22D4138U is a 21" b/w TV with US standard VHF tuner channels 2 thru 13, and 14 thru 83 UHF. Equipped with chassis TV-330U, VHF tuner T-36D and picture tube 21ZP4B.
- Literature/Schematics (1)
- Photofact Folder, Howard W. SAMS (Set 325 Folder 9 date 8-56)
- Author
- Model page created by Dirk Taekels. See "Data change" for further contributors.
- Other Models
-
Here you find 4120 models, 2228 with images and 3768 with schematics for wireless sets etc. In French: TSF for Télégraphie sans fil.
All listed radios etc. from Philco, Philadelphia Stg. Batt. Co.; USA