- Country
- United States of America (USA)
- Manufacturer / Brand
- Philco, Philadelphia Stg. Batt. Co.; USA
- Year
- 1936/1937
- Category
- Broadcast Receiver - or past WW2 Tuner
- Radiomuseum.org ID
- 148451
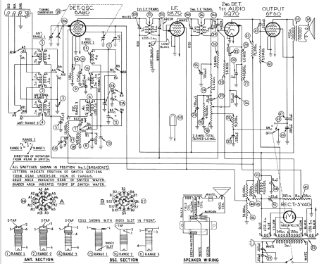
Click on the schematic thumbnail to request the schematic as a free document.
- Number of Tubes
- 5
- Main principle
- Superheterodyne (common); ZF/IF 470 kHz
- Wave bands
- Broadcast plus 2 Short Wave bands.
- Details
- Record Player (not changer)
- Power type and voltage
- Alternating Current supply (AC) / 115 Volt
- Loudspeaker
- Electro Magnetic Dynamic LS (moving-coil with field excitation coil)
- Power out
- 3 W (unknown quality)
- Material
- Wooden case
- from Radiomuseum.org
- Model: 37-610PF - Philco, Philadelphia Stg. Batt
- Shape
- Console with any shape - in general
- Notes
- The Philco model 37-610PF is a 5-tube 3-band console with a single-play 78 RPM phonograph under the top lid. It uses the same chassis as the other members of the 37-610 series, which includes several other tombstone, table, and console models without record player.
- Price in first year of sale
- 125.00 $
- Source of data
- Philco Radio 1928-1942
- Circuit diagram reference
- Rider's Perpetual, Volume 7 = 1936 and before
- Literature/Schematics (1)
- Philco Service Bulletins # 249 and #249B
- Author
- Model page created by Thomas Albrecht. See "Data change" for further contributors.
- Other Models
-
Here you find 4120 models, 2228 with images and 3768 with schematics for wireless sets etc. In French: TSF for Télégraphie sans fil.
All listed radios etc. from Philco, Philadelphia Stg. Batt. Co.; USA