- Country
- United States of America (USA)
- Manufacturer / Brand
- Philco, Philadelphia Stg. Batt. Co.; USA
- Year
- 1951
- Category
- Broadcast Receiver - or past WW2 Tuner
- Radiomuseum.org ID
- 51007
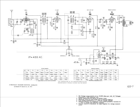
Click on the schematic thumbnail to request the schematic as a free document.
- Number of Tubes
- 5
- Main principle
- Superheterodyne (common); ZF/IF 455 kHz; 2 AF stage(s)
- Tuned circuits
- 6 AM circuit(s)
- Wave bands
- Broadcast only (MW).
- Power type and voltage
- AC/DC-set / 105-125 Volt
- Loudspeaker
- Permanent Magnet Dynamic (PDyn) Loudspeaker (moving coil) / Ø 4 inch = 10.2 cm
- Power out
- 1.2 W (unknown quality)
- Material
- Plastics (no bakelite or catalin)
- from Radiomuseum.org
- Model: 51-532-I - Philco, Philadelphia Stg. Batt
- Shape
- Tablemodel without push buttons, Mantel/Midget/Compact up to 14
- Notes
- Cabinet has ivory colour.
- External source of data
- Ernst Erb
- Circuit diagram reference
- Rider's Perpetual, Volume 21, Copyright 1950
- Other Models
-
Here you find 4120 models, 2228 with images and 3768 with schematics for wireless sets etc. In French: TSF for Télégraphie sans fil.
All listed radios etc. from Philco, Philadelphia Stg. Batt. Co.; USA