51-T1601 (Code 121)
Philco, Philadelphia Stg. Batt. Co.; USA
- Land
- USA
- Hersteller / Marke
- Philco, Philadelphia Stg. Batt. Co.; USA
- Jahr
- 1951 ?
- Kategorie
- Fernseh-Empfänger/Monitor
- Radiomuseum.org ID
- 340623
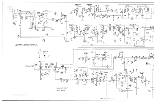
Klicken Sie auf den Schaltplanausschnitt, um diesen kostenlos als Dokument anzufordern.
- Anzahl Röhren
- 23
- Röhren
- 6BC5 or 6CB6 6J6 or 12AV7 6AU6 6AU6 6AU6 6CB6 12AU7 12AV7 6AQ5 6AU6 6T8 7C5 12AU7 7N7 6S4 6SN7GT 6CD6G 6BY5G 1X2 1X2 5U4G 5U4G 16WP4A
- Hauptprinzip
- Super mit HF-Vorstufe
- Wellenbereiche
- Wellen in den Bemerkungen.
- Betriebsart / Volt
- Wechselstromspeisung / 60 Hz, 117V = 110 -120 Volt
- Lautsprecher
- Dynamischer LS, keine Erregerspule (permanentdynamisch)
- von Radiomuseum.org
- Modell: 51-T1601 - Philco, Philadelphia Stg. Batt
- Bemerkung
-
Philco model 51-T1601 is a 16” b/w TV with US standard VHF tuner channels 2 thru 13.
Equipped with VHF- tuner 76-5411-1 and picture tube 16WP4A.
- Literatur/Schema (1)
- Photofact Folder, Howard W. SAMS (Set 115, Folder 1A dated 12-50)
- Literatur/Schema (2)
- Photofact Folder, Howard W. SAMS (Set 138, folder 7, dated 7-51)
- Autor
- Modellseite von Dirk Taekels angelegt. Siehe bei "Änderungsvorschlag" für weitere Mitarbeit.
- Weitere Modelle
-
Hier finden Sie 4120 Modelle, davon 2228 mit Bildern und 3768 mit Schaltbildern.
Alle gelisteten Radios usw. von Philco, Philadelphia Stg. Batt. Co.; USA