51-T1836 ( Code 125 )
Philco, Philadelphia Stg. Batt. Co.; USA
- Country
- United States of America (USA)
- Manufacturer / Brand
- Philco, Philadelphia Stg. Batt. Co.; USA
- Year
- 1951 ?
- Category
- Television Receiver (TV) or Monitor
- Radiomuseum.org ID
- 350581
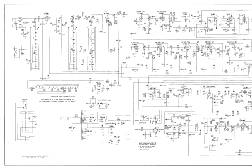
Click on the schematic thumbnail to request the schematic as a free document.
- Number of Tubes
- 23
- Valves / Tubes
- 6CB6 12AV7 6AU6 6AU6 6AU6 6CB6 12AU7 12AV7 6AQ5 6AU6 6T8 7C5 12AU7 7N7 6S4 6SN7GT 6CD6G 6BY5G 1X2A or 1X2 1B3GT or 1X2 5U4G 5U4G 17BP4A
- Main principle
- Superhet with RF-stage
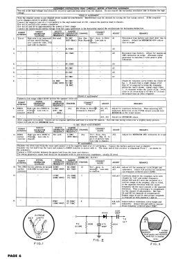
- Wave bands
- Wave Bands given in the notes.
- Power type and voltage
- Alternating Current supply (AC) / 60 Hz, 117V = 110 -120 Volt
- Loudspeaker
- Permanent Magnet Dynamic (PDyn) Loudspeaker (moving coil)
- Material
- Wooden case
- from Radiomuseum.org
- Model: 51-T1836 - Philco, Philadelphia Stg. Batt
- Shape
- Tablemodel, with any shape - general.
- Notes
-
Philco model 51-T1836 is a 17” b/w TV with US standard VHF tuner channels 2 thru 13.
Equipped with VHF tuner 76-5747 and picture tube 17BP4A.
- Literature/Schematics (1)
- Photofact Folder, Howard W. SAMS (Set 148, folder 13, dated 10-51)
- Author
- Model page created by Dirk Taekels. See "Data change" for further contributors.
- Other Models
-
Here you find 4120 models, 2228 with images and 3768 with schematics for wireless sets etc. In French: TSF for Télégraphie sans fil.
All listed radios etc. from Philco, Philadelphia Stg. Batt. Co.; USA