52-T1810 (Code 123)
Philco, Philadelphia Stg. Batt. Co.; USA
- Pays
- Etats-Unis
- Fabricant / Marque
- Philco, Philadelphia Stg. Batt. Co.; USA
- Année
- 1951 ?
- Catégorie
- Récepteur de télévision ou moniteur
- Radiomuseum.org ID
- 350229
Cliquez sur la vignette du schéma pour le demander en tant que document gratuit.
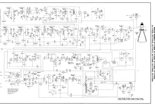
- No. de tubes
- 23
- Lampes / Tubes
- 6CB6 12AV7 6AU6 6AU6 6AU6 6CB6 12AU7 12AV7 6AQ5 6AU6 6T8 7C5 12AU7 7N7 6S4 6SN7GT 6CD6G 6BY5G 1X2A or 1X2 1B3GT or 1X2 5U4G 5U4G 17BP4A
- Principe général
- Super hétérodyne avec étage HF
- Gammes d'ondes
- Bandes en notes
- Tension / type courant
- Alimentation Courant Alternatif (CA) / 60 Hz, 117V = 110 -120 Volt
- Haut-parleur
- HP dynamique à aimant permanent + bobine mobile
- De Radiomuseum.org
- Modèle: 52-T1810 - Philco, Philadelphia Stg. Batt
- Remarques
-
Philco model 52-T1810 is a 17” b/w TV with US standard VHF tuner channels 2 thru 13.
Equipped with VHF tuner 76-5747 and picture tube 17BP4A.
- Schémathèque (1)
- Photofact Folder, Howard W. SAMS (Set 147, folder 1A, dated 9-51)
- Schémathèque (2)
- Photofact Folder, Howard W. SAMS (Set 148, folder 13, dated 10-51)
- Auteur
- Modèle crée par Dirk Taekels. Voir les propositions de modification pour les contributeurs supplémentaires.
- D'autres Modèles
-
Vous pourrez trouver sous ce lien 4120 modèles d'appareils, 2228 avec des images et 3768 avec des schémas.
Tous les appareils de Philco, Philadelphia Stg. Batt. Co.; USA