52-T2182 (Code 121) Ch= D-4, 44
Philco, Philadelphia Stg. Batt. Co.; USA
- Country
- United States of America (USA)
- Manufacturer / Brand
- Philco, Philadelphia Stg. Batt. Co.; USA
- Year
- 1952 ?
- Category
- Television Receiver (TV) or Monitor
- Radiomuseum.org ID
- 358075
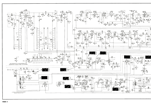
Click on the schematic thumbnail to request the schematic as a free document.
- Number of Tubes
- 21
- Valves / Tubes
- 6BQ7 12AV7 or 12AZ7 6AU6 6AU6 6AU6 6CB6 12AU7 12AV7 6AQ5 6AU6 6T8 6Y6GT 12AU7 7N7 6BQ6GT 6SN7GT 6CD6G 6V3 1B3GT 1X2A or 1X2 21EP4A
- Main principle
- Superhet with RF-stage
- Wave bands
- Wave Bands given in the notes.
- Power type and voltage
- Alternating Current supply (AC) / 60Hz, 117V=110-120 Volt
- Loudspeaker
- Permanent Magnet Dynamic (PDyn) Loudspeaker (moving coil) / Ø 10 inch = 25.4 cm
- Material
- Wooden case
- from Radiomuseum.org
- Model: 52-T2182 Ch= D-4, 44 - Philco, Philadelphia Stg. Batt
- Shape
- Console with any shape - in general
- Notes
- 
        Philco model 52-T2182 is a 21” b/w TV with US standard VHF tuner channels 2 thru 13. Equipped with chassis D-4, 44, VHF tuner 76-7070 and picture tube 21EP4A. 
- Literature/Schematics (1)
- Photofact Folder, Howard W. SAMS (Set 181, folder 9, dated 10-52)
- Author
- Model page created by Dirk Taekels. See "Data change" for further contributors.
- Other Models
- 
        Here you find 4120 models, 2229 with images and 3768 with schematics for wireless sets etc. In French: TSF for Télégraphie sans fil. 
 All listed radios etc. from Philco, Philadelphia Stg. Batt. Co.; USA
 
                
                
                
                
                
                
                
                
                
                
                
                
                
                
                
                
                
                
               