53-T1852 Ch= H1, 81
Philco, Philadelphia Stg. Batt. Co.; USA
- Country
- United States of America (USA)
- Manufacturer / Brand
- Philco, Philadelphia Stg. Batt. Co.; USA
- Year
- 1953 ?
- Category
- Television Receiver (TV) or Monitor
- Radiomuseum.org ID
- 362137
Click on the schematic thumbnail to request the schematic as a free document.
- Number of Tubes
- 18
- Valves / Tubes
- 6BZ7 12AZ7 6CB6 6CB6 6CB6 12BY7 6AU6 6T8 6K6GT 6U8 6BE6 12BH7 6AL5 12AU7 6BQ6GT 6AX4GT 1B3GT 20DP4A
- Main principle
- Superhet with RF-stage
- Wave bands
- Wave Bands given in the notes.
- Power type and voltage
- Alternating Current supply (AC) / 60 Hz, 117V = 110 -120 Volt
- Loudspeaker
- Permanent Magnet Dynamic (PDyn) Loudspeaker (moving coil) / Ø 6 inch = 15.2 cm
- Material
- Plastics (no bakelite or catalin)
- from Radiomuseum.org
- Model: 53-T1852 Ch= H1, 81 - Philco, Philadelphia Stg. Batt
- Shape
- Tablemodel, with any shape - general.
- Notes
-
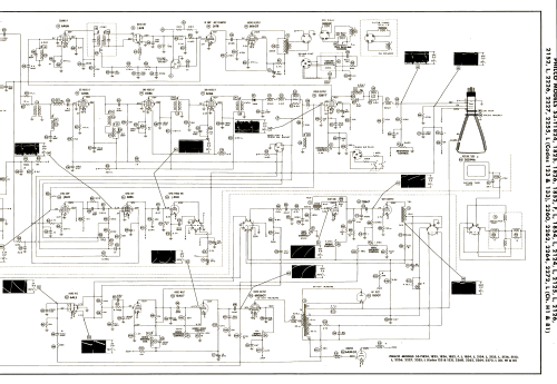
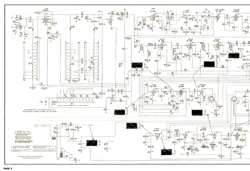
Philco model 53-T1852 is a 20” b/w TV with US standard VHF tuner channels 2 thru 13. Equipped with chassis H1 & 81, VHF tuner 76-7664 and picture tube 20DP4A.
- Literature/Schematics (1)
- Photofact Folder, Howard W. SAMS (Set 201, folder 7, dated 4-53)
- Author
- Model page created by Dirk Taekels. See "Data change" for further contributors.
- Other Models
-
Here you find 4120 models, 2228 with images and 3768 with schematics for wireless sets etc. In French: TSF for Télégraphie sans fil.
All listed radios etc. from Philco, Philadelphia Stg. Batt. Co.; USA