53-T2152L Ch= H1, 81
Philco, Philadelphia Stg. Batt. Co.; USA
- País
- Estados Unidos
- Fabricante / Marca
- Philco, Philadelphia Stg. Batt. Co.; USA
- Año
- 1953 ?
- Categoría
- Televisión (TV) o monitor
- Radiomuseum.org ID
- 362148
Haga clic en la miniatura esquemática para solicitarlo como documento gratuito.
- Numero de valvulas
- 18
- Válvulas
- 6BZ7 12AZ7 6CB6 6CB6 6CB6 12BY7 6AU6 6T8 6K6GT 6U8 6BE6 12BH7 6AL5 12AU7 6BQ6GT 6AX4GT 1B3GT 20DP4A
- Principio principal
- Superheterodino con paso previo de RF
- Gama de ondas
- Bandas de recepción puestas en notas.
- Tensión de funcionamiento
- Red: Corriente alterna (CA, Inglés = AC) / 60 Hz, 117V = 110 -120 Volt
- Altavoz
- Altavoz dinámico (de imán permanente) / Ø 6 inch = 15.2 cm
- Material
- Plástico moderno (Nunca bakelita o catalina)
- de Radiomuseum.org
- Modelo: 53-T2152L Ch= H1, 81 - Philco, Philadelphia Stg. Batt
- Forma
- Sobremesa de cualquier forma, detalles no conocidos.
- Anotaciones
-
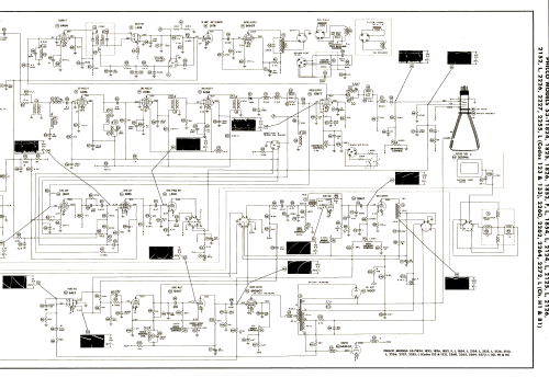
Philco model 53-T2152L is a 20” b/w TV with US standard VHF tuner channels 2 thru 13. Equipped with chassis H1 & 81, VHF tuner 76-7664 and picture tube 20DP4A.
- Documentación / Esquemas (1)
- Photofact Folder, Howard W. SAMS (Set 201, folder 7, dated 4-53)
- Autor
- Modelo creado por Dirk Taekels. Ver en "Modificar Ficha" los participantes posteriores.
- Otros modelos
-
Donde encontrará 4120 modelos, 2227 con imágenes y 3768 con esquemas.
Ir al listado general de Philco, Philadelphia Stg. Batt. Co.; USA