- Country
- United States of America (USA)
- Manufacturer / Brand
- Philco, Philadelphia Stg. Batt. Co.; USA
- Year
- 1957
- Category
- Television Receiver (TV) or Monitor
- Radiomuseum.org ID
- 214047
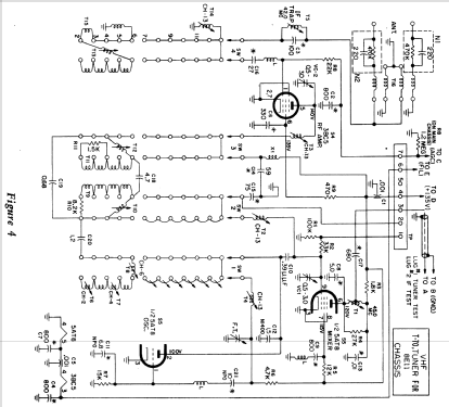
Click on the schematic thumbnail to request the schematic as a free document.
- Number of Tubes
- 16
- Valves / Tubes
- 4BQ7A 5AT8 2AF4A 3BZ6 3BZ6 5AM8 7AU7 6CS7 12CA5 6AW8A 5T8 6BY8 19AU4 1X2B 12DQ6A 14QP4A
- Main principle
- Superhet with RF-stage
- Wave bands
- VHF incl. FM and/or UHF (see notes for details)
- Power type and voltage
- Alternating Current supply (AC) / 60 Hz, 117V = 110 -120 Volt
- Loudspeaker
- Permanent Magnet Dynamic (PDyn) Loudspeaker (moving coil)
- Material
- Metal case
- from Radiomuseum.org
- Model: 8E11U - Philco, Philadelphia Stg. Batt
- Shape
- Chassis only or for «building in»
- Notes
- The Philco 8E11U is a chassis for 14" b/w TV's with US standard VHF Tuner channels 2 thru 13, 14 thru 83 UHF. Used in various "F" line Philco TV's. Uses UHF/VHF tuner T-80-1 and picture tube 14QP4A.
- Source of data
- - - Manufacturers Literature
- Mentioned in
- Photofact Folder, Howard W. SAMS (Set 370 Folder 16-S dated 1957)
- Literature/Schematics (1)
- - - Manufacturers Literature
- Author
- Model page created by John Kusching. See "Data change" for further contributors.
- Other Models
-
Here you find 4120 models, 2229 with images and 3768 with schematics for wireless sets etc. In French: TSF for Télégraphie sans fil.
All listed radios etc. from Philco, Philadelphia Stg. Batt. Co.; USA