- País
- Estados Unidos
- Fabricante / Marca
- Philco, Philadelphia Stg. Batt. Co.; USA
- Año
- 1958
- Categoría
- Televisión (TV) o monitor
- Radiomuseum.org ID
- 210871
Haga clic en la miniatura esquemática para solicitarlo como documento gratuito.
- Numero de valvulas
- 16
- Principio principal
- Superheterodino con paso previo de RF
- Gama de ondas
- VHF/UHF (see notes for details)
- Tensión de funcionamiento
- Red: Corriente alterna (CA, Inglés = AC) / 105-120 Volt
- Altavoz
- Altavoz dinámico (de imán permanente)
- Material
- Metálico
- de Radiomuseum.org
- Modelo: 8L41 - Philco, Philadelphia Stg. Batt
- Forma
- Chasis (tambien de autoradio)
- Anotaciones
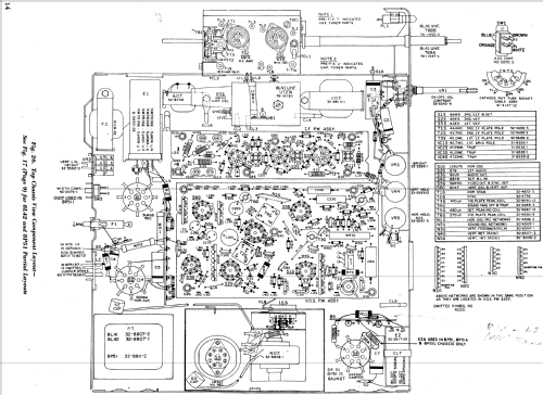
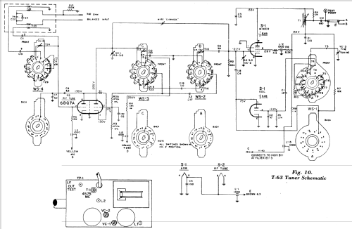
- The Philco 8L41 is a chassis for 21" b/w TV's with US standard VHF Tuner channels 2 thru 13. Used in various "F" line Philco TV's. Uses VHF tuner T-68B and picture tube 21CMP4.
- Procedencia de los datos
- - - Manufacturers Literature
- Autor
- Modelo creado por John Kusching. Ver en "Modificar Ficha" los participantes posteriores.
- Otros modelos
-
Donde encontrará 4120 modelos, 2227 con imágenes y 3768 con esquemas.
Ir al listado general de Philco, Philadelphia Stg. Batt. Co.; USA