9 Transitone
Philco, Philadelphia Stg. Batt. Co.; USA
- Country
- United States of America (USA)
- Manufacturer / Brand
- Philco, Philadelphia Stg. Batt. Co.; USA
- Year
- 1933 ?
- Category
- Car Radio, perhaps also + sound player/recorder
- Radiomuseum.org ID
- 51213
Click on the schematic thumbnail to request the schematic as a free document.
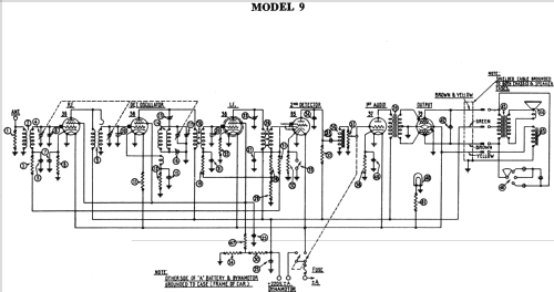
- Number of Tubes
- 6
- Main principle
- Superhet with RF-stage; ZF/IF 260 kHz
- Wave bands
- Broadcast only (MW).
- Loudspeaker
- Electro Magnetic Dynamic LS (moving-coil with field excitation coil)
- from Radiomuseum.org
- Model: 9 Transitone - Philco, Philadelphia Stg. Batt
- Notes
- A dynamotor supplies +220 V and +/- A for filaments.
- External source of data
- Ernst Erb
- Circuit diagram reference
- Rider's Perpetual, Volume 3 = 1933 and before
- Mentioned in
- Rider's Perpetual, Volume 4
- Other Models
-
Here you find 4120 models, 2227 with images and 3768 with schematics for wireless sets etc. In French: TSF for Télégraphie sans fil.
All listed radios etc. from Philco, Philadelphia Stg. Batt. Co.; USA