A-T2277L Ch= 81, H-1 Code 123
Philco, Philadelphia Stg. Batt. Co.; USA
- Land
- USA
- Hersteller / Marke
- Philco, Philadelphia Stg. Batt. Co.; USA
- Jahr
- 1953
- Kategorie
- Fernseh-Empfänger/Monitor
- Radiomuseum.org ID
- 255339
Klicken Sie auf den Schaltplanausschnitt, um diesen kostenlos als Dokument anzufordern.
- Anzahl Röhren
- 18
- Röhren
- 6BZ7 12AZ7 6CB6 6CB6 6CB6 12BY7 6AU6 6T8 6K6GT 6U8 6BE6 12BH7 6AL5 12AU7 6BQ6GT 6AX4GT 1B3GT 21EP4A
- Hauptprinzip
- Super mit HF-Vorstufe
- Wellenbereiche
- VHF/UHF (siehe Bemerkungen)
- Betriebsart / Volt
- Wechselstromspeisung / 60 cycles, 117 Volt
- Lautsprecher
- Dynamischer LS, Prinzip (Edyn oder Pdyn) nicht gegeben.
- Material
- Gerät mit Holzgehäuse
- von Radiomuseum.org
- Modell: A-T2277L Ch= 81, H-1 [Code 123] - Philco, Philadelphia Stg. Batt
- Form
- Tischmodell, Zusatz nicht bekannt - allgemein.
- Bemerkung
-
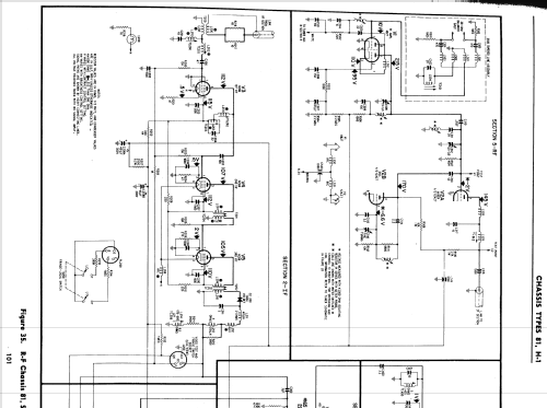
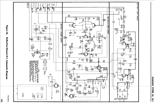
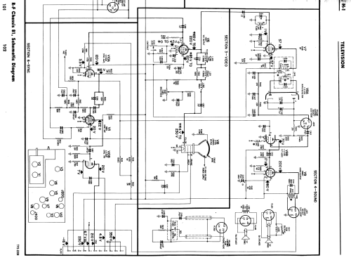
The Philco A-T2277L is a 21" b/w TV with US standard VHF Tuner channels 2 thru 13. Equipped with RF chassis 81, Deflection chassis H-1 and picture tube 21EP4A.
- Literaturnachweis
- Photofact Folder, Howard W. SAMS (201/ April 1953)
- Literatur/Schema (1)
- - - Manufacturers Literature (Philco Television Yearbook - 1953 Pages 87-111)
- Autor
- Modellseite von John Kusching angelegt. Siehe bei "Änderungsvorschlag" für weitere Mitarbeit.
- Weitere Modelle
-
Hier finden Sie 4120 Modelle, davon 2228 mit Bildern und 3768 mit Schaltbildern.
Alle gelisteten Radios usw. von Philco, Philadelphia Stg. Batt. Co.; USA