41DC Console
Philco, Philadelphia Stg. Batt. Co.; USA
- Pays
- Etats-Unis
- Fabricant / Marque
- Philco, Philadelphia Stg. Batt. Co.; USA
- Année
- 1930
- Catégorie
- Radio - ou tuner d'après la guerre 1939-45
- Radiomuseum.org ID
- 50703
Cliquez sur la vignette du schéma pour le demander en tant que document gratuit.
- No. de tubes
- 6
- Principe général
- Récepteur TRF en général (avec ou sans réaction inconnu); Tube à grille écran 1926-1935.
- Circuits accordés
- 4 Circuits MA (AM)
- Gammes d'ondes
- PO uniquement
- Tension / type courant
- Alimentation Courant Continu (CC) / 115 Volt
- Haut-parleur
- HP dynamique à électro-aimant (électrodynamique)
- Matière
- Boitier en bois
- De Radiomuseum.org
- Modèle: 41DC Console - Philco, Philadelphia Stg. Batt
- Forme
- Console de forme générique
- Remarques
- Model 41 was available in a console, a lowboy, and a highboy cabinet. One dial (primary tuning control knob).
- Prix de mise sur le marché
- 99.00 $
- Source extérieure
- Ernst Erb
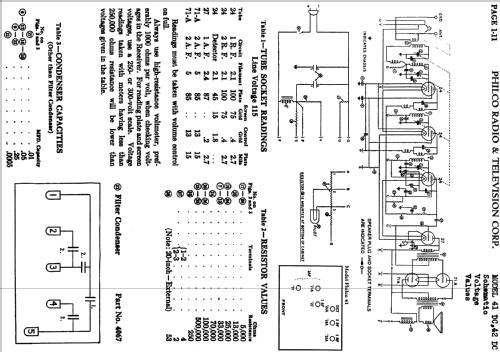
- Source du schéma
- Rider's Perpetual, Volume 1 = 1931/1934 (for 1919-1931)
- Littérature
- Philco Radio 1928-1942
- Schémathèque (1)
- Philco 1928-36 Wiring Diagrams, Parts Lists, and Essential Service Data
- D'autres Modèles
-
Vous pourrez trouver sous ce lien 4120 modèles d'appareils, 2227 avec des images et 3768 avec des schémas.
Tous les appareils de Philco, Philadelphia Stg. Batt. Co.; USA