E4605 Ch= 7L70
Philco, Philadelphia Stg. Batt. Co.; USA
- Country
- United States of America (USA)
- Manufacturer / Brand
- Philco, Philadelphia Stg. Batt. Co.; USA
- Year
- 1956
- Category
- Television Receiver (TV) or Monitor
- Radiomuseum.org ID
- 232326
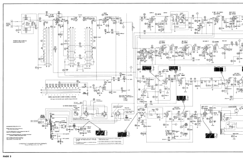
Click on the schematic thumbnail to request the schematic as a free document.
- Number of Tubes
- 19
- Valves / Tubes
- X155 6X8 6DE6 6DE6 6AM8 6U8 6AQ5 6BY8 6AV6 6AQ5 12BR7 12AU7A 6CM6 12AU7A 6DQ6 6AU4GT 1B3GT 5U4GB 24ADP4 or 21BTP4
- Main principle
- Superhet with RF-stage
- Wave bands
- VHF incl. FM and/or UHF (see notes for details)
- Power type and voltage
- Alternating Current supply (AC) / 60 cycles, 105 to 125 Volt
- Loudspeaker
- Permanent Magnet Dynamic (PDyn) Loudspeaker (moving coil)
- Material
- Wooden case
- from Radiomuseum.org
- Model: E4605 Ch= 7L70 - Philco, Philadelphia Stg. Batt
- Shape
- Console, Lowboy (legs < 50 %).
- Notes
-
The Philco E4605 is a 21" b/w TV with US standard VHF tuner channels 2 thru 13. Equipped with chassis 7L70, VHF tuner T-67 and picture tube 21BSP4.
- Source of data
- - - Manufacturers Literature
- Literature/Schematics (1)
- - - Manufacturers Literature (Philco Service Manual PR-3028, PR-3062)
- Literature/Schematics (2)
- Photofact Folder, Howard W. SAMS (Set 374 Folder 9 dated 10-57)
- Author
- Model page created by John Kusching. See "Data change" for further contributors.
- Other Models
-
Here you find 4120 models, 2229 with images and 3768 with schematics for wireless sets etc. In French: TSF for Télégraphie sans fil.
All listed radios etc. from Philco, Philadelphia Stg. Batt. Co.; USA