E6602L Ch= 7P50
Philco, Philadelphia Stg. Batt. Co.; USA
- Country
- United States of America (USA)
- Manufacturer / Brand
- Philco, Philadelphia Stg. Batt. Co.; USA
- Year
- 1956
- Category
- Television Receiver (TV) or Monitor
- Radiomuseum.org ID
- 232389
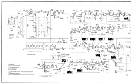
Click on the schematic thumbnail to request the schematic as a free document.
- Number of Tubes
- 17
- Valves / Tubes
- 6AF4 6BQ7A 6X8 6DE6 6DE6 6AM8 6AW8 6BY8 6AV6 6CU5 6SC7 12AU7A 6DQ6 6AX4 1B3GT 5U4GB 24ADP4
- Main principle
- Superhet with RF-stage
- Wave bands
- VHF incl. FM and/or UHF (see notes for details)
- Power type and voltage
- Alternating Current supply (AC) / 60 Hz, 117V = 110 -120 Volt
- Loudspeaker
- Permanent Magnet Dynamic (PDyn) Loudspeaker (moving coil)
- Material
- Wooden case
- from Radiomuseum.org
- Model: E6602L Ch= 7P50 - Philco, Philadelphia Stg. Batt
- Shape
- Console, Highboy (legs > 50 %).
- Notes
- 
        The Philco E6602L is a 24" b/w TV with US standard VHF tuner channels 2 thru 13. Equipped with chassis 7P50, VHF tuner T-63 and picture tube 24ADP4. 
- Source of data
- - - Manufacturers Literature
- Literature/Schematics (1)
- - - Manufacturers Literature (Philco Service Manual PR-3063, PR-3062)
- Literature/Schematics (2)
- Photofact Folder, Howard W. SAMS (Set 362 Folder 7 Dated 6-57)
- Author
- Model page created by John Kusching. See "Data change" for further contributors.
- Other Models
- 
        Here you find 4125 models, 2230 with images and 3773 with schematics for wireless sets etc. In French: TSF for Télégraphie sans fil. 
 All listed radios etc. from Philco, Philadelphia Stg. Batt. Co.; USA
 
                
                
                
                
                
                
                
                
                
                
                
                
               