F4213 Ch= 8L41
Philco, Philadelphia Stg. Batt. Co.; USA
- Pays
- Etats-Unis
- Fabricant / Marque
- Philco, Philadelphia Stg. Batt. Co.; USA
- Année
- 1958
- Catégorie
- Récepteur de télévision ou moniteur
- Radiomuseum.org ID
- 210977
Cliquez sur la vignette du schéma pour le demander en tant que document gratuit.
- No. de tubes
- 16
- Lampes / Tubes
- 6X8 6BC8 6AM8 6DE6 6DE6 12AU7A 6T8 6CU5 6BY8 6AW8A 6CS7 5U4GB 6DQ6A 1B3GT 6AX4GT 21CMP4
- Principe général
- Super hétérodyne avec étage HF
- Gammes d'ondes
- VHF/UHF (voir details en note)
- Tension / type courant
- Alimentation Courant Alternatif (CA) / 105-120 Volt
- Haut-parleur
- HP dynamique à aimant permanent + bobine mobile
- De Radiomuseum.org
- Modèle: F4213 Ch= 8L41 - Philco, Philadelphia Stg. Batt
- Remarques
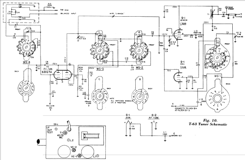
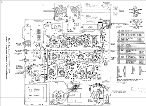
- The Philco F4213 is a 21" b/w TV with US standard VHF tuner channels 2 thru 13. Equipped with chassis 8L41, tuner T-68B and picture tube 21CMP4.
- Source
- - - Manufacturers Literature
- Auteur
- Modèle crée par John Kusching. Voir les propositions de modification pour les contributeurs supplémentaires.
- D'autres Modèles
-
Vous pourrez trouver sous ce lien 4120 modèles d'appareils, 2227 avec des images et 3768 avec des schémas.
Tous les appareils de Philco, Philadelphia Stg. Batt. Co.; USA