G4646L Ch= 9L41
Philco, Philadelphia Stg. Batt. Co.; USA
- Country
- United States of America (USA)
- Manufacturer / Brand
- Philco, Philadelphia Stg. Batt. Co.; USA
- Year
- 1958
- Category
- Television Receiver (TV) or Monitor
- Radiomuseum.org ID
- 189494
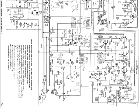
Click on the schematic thumbnail to request the schematic as a free document.
- Number of Tubes
- 17
- Valves / Tubes
- 6X8 6BC8 6AM8 6DE6 6DE6 6CS7 6AW8A 6BY8 6CA5 12BR7 6CS6 12AU7A 5U4GB 6DQ6A 1B3GT 6DA4 21DQP4
- Main principle
- Superhet with RF-stage
- Wave bands
- VHF incl. FM and/or UHF (see notes for details)
- Power type and voltage
- Alternating Current supply (AC) / 105 - 120 Volt
- Loudspeaker
- Permanent Magnet Dynamic (PDyn) Loudspeaker (moving coil)
- from Radiomuseum.org
- Model: G4646L Ch= 9L41 - Philco, Philadelphia Stg. Batt
- Notes
- The Philco G4646L is a 21" b/w TV with US standard VHF tuner channels 2 thru 13. Equipped with chassis 9L41, VHF tuner T-68B-2 and picture tube 21DQP4.
- Literature/Schematics (1)
- Photofact Folder, Howard W. SAMS (Date 11-58, Set 423, Folder 2)
- Literature/Schematics (2)
- - - Manufacturers Literature
- Author
- Model page created by Egon Penker. See "Data change" for further contributors.
- Other Models
-
Here you find 4120 models, 2227 with images and 3768 with schematics for wireless sets etc. In French: TSF for Télégraphie sans fil.
All listed radios etc. from Philco, Philadelphia Stg. Batt. Co.; USA