- Country
- United States of America (USA)
- Manufacturer / Brand
- Philco, Philadelphia Stg. Batt. Co.; USA
- Year
- 1959
- Category
- Sound/Video Recorder and/or Player
- Radiomuseum.org ID
- 78761
Click on the schematic thumbnail to request the schematic as a free document.
- Number of Tubes
- 5
- Main principle
- Audio-Amplification
- Wave bands
- - without
- Details
- Rec.Player+Audio.Amp+LS
- Power type and voltage
- Alternating Current supply (AC) / 105-120 Volt
- Loudspeaker
- 4 Loudspeakers
- Power out
- 6 W (unknown quality)
- Material
- Leather / canvas / plastic - over other material
- from Radiomuseum.org
- Model: G-1412 - Philco, Philadelphia Stg. Batt
- Shape
- Tablemodel, Box - most often with Lid (NOT slant panel).
- Notes
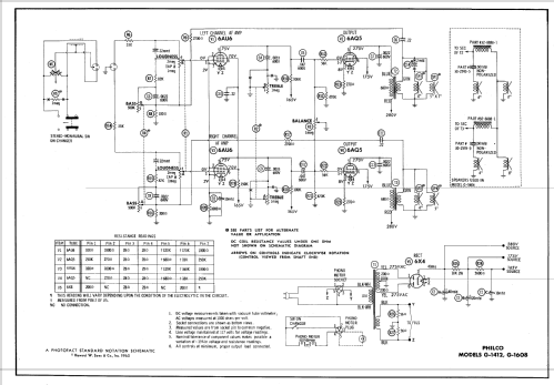
- The Philco Model G-1412 is an AC operated 5 Tube portable Stereo Phono Amplifier and 4 Speed Record Changer. Cabinet is Leatherette covered wood. This model has Qty(1) 5"x7" PM speaker and Qty(1) 4" PM speaker, both in the cabinet. Also has Qty(1) 5-1/4" PM speaker and Qty(1) 4" PM speaker, both in the remote cabinet. Uses Record Changer M-41S, with speeds of 16-2/3, 33-1/3, 45 and 78 RPM (Refer to M-41 service manual for service information).
- Circuit diagram reference
- Beitman Radio Diagrams Vol. 20, 1960
- Literature/Schematics (1)
- Photofact Folder, Howard W. SAMS (Date 1-60, Set 469, Folder 12)
- Literature/Schematics (2)
- - - Manufacturers Literature
- Author
- Model page created by Trev Levick. See "Data change" for further contributors.
- Other Models
-
Here you find 4120 models, 2228 with images and 3768 with schematics for wireless sets etc. In French: TSF for Télégraphie sans fil.
All listed radios etc. from Philco, Philadelphia Stg. Batt. Co.; USA