- Country
- United States of America (USA)
- Manufacturer / Brand
- Philco, Philadelphia Stg. Batt. Co.; USA
- Year
- 1958/1959
- Category
- Broadcast Receiver - or past WW2 Tuner
- Radiomuseum.org ID
- 72206
Click on the schematic thumbnail to request the schematic as a free document.
- Number of Tubes
- 5
- Main principle
- Superheterodyne (common); ZF/IF 455 kHz; 2 AF stage(s)
- Tuned circuits
- 6 AM circuit(s)
- Wave bands
- Broadcast only (MW).
- Power type and voltage
- Alternating Current supply (AC) / 105 - 120 Volt
- Loudspeaker
- Permanent Magnet Dynamic (PDyn) Loudspeaker (moving coil) / Ø 4 inch = 10.2 cm
- Power out
- 0.9 W (unknown quality)
- Material
- Plastics (no bakelite or catalin)
- from Radiomuseum.org
- Model: G-749 - Philco, Philadelphia Stg. Batt
- Shape
- Tablemodel with Clock ((Alarm-) Clock Radio).
- Dimensions (WHD)
- 10.25 x 6.625 x 4.625 inch / 260 x 168 x 117 mm
- Notes
-
The Philco Model G-749 is an AC operated 5 Tube AM Receiver with Electric Clock. BC Band Tuning Range: 540 to 1620KHz. This model has Qty(1) 4" PM speaker. Uses Telechron J-2 internal timer and clock. In Lustre Ivory.
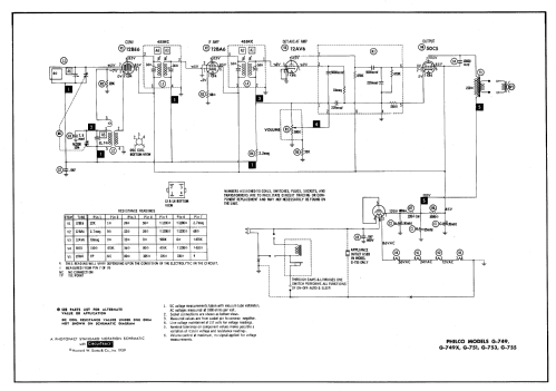
- Circuit diagram reference
- Beitman Radio Diagrams Vol. 19, 1959
- Literature/Schematics (1)
- Photofact Folder, Howard W. SAMS (Date 10-59, Set 459, Folder 12)
- Literature/Schematics (2)
- - - Manufacturers Literature
- Literature/Schematics (3)
- Philco Folder AD-1792 for 1959.
- Author
- Model page created by Hinrich Grensemann † 15.5.16. See "Data change" for further contributors.
- Other Models
-
Here you find 4120 models, 2228 with images and 3768 with schematics for wireless sets etc. In French: TSF for Télégraphie sans fil.
All listed radios etc. from Philco, Philadelphia Stg. Batt. Co.; USA