H4250 Ch= 10L31
Philco, Philadelphia Stg. Batt. Co.; USA
- Produttore / Marca
- Philco, Philadelphia Stg. Batt. Co.; USA
- Anno
- 1958
- Categoria
- Televisore (TV) / Monitor
- Radiomuseum.org ID
- 143415
Clicca sulla miniatura dello schema per richiederlo come documento gratuito.
- Numero di tubi
- 16
- Valvole
- 6X8 6BC8 6AM8A or 6AM8 6DE6 6DE6 6BQ5 6CS7 6CS6 6U8 or 6U8A or 6EA8 6CG7 6AW8A 6DA4 6DQ6A 1G3GT 5U4GB 21DQP4
- Principio generale
- Supereterodina con stadio RF
- Gamme d'onda
- VHF/UHF (ved. i dettagli nelle note)
- Tensioni di funzionamento
- Alimentazione a corrente alternata (CA) / 105 - 120 Volt
- Altoparlante
- AP magnetodinamico (magnete permanente e bobina mobile) / Ø 5.25 inch = 13.3 cm
- Radiomuseum.org
- Modello: H4250 Ch= 10L31 - Philco, Philadelphia Stg. Batt
- Annotazioni
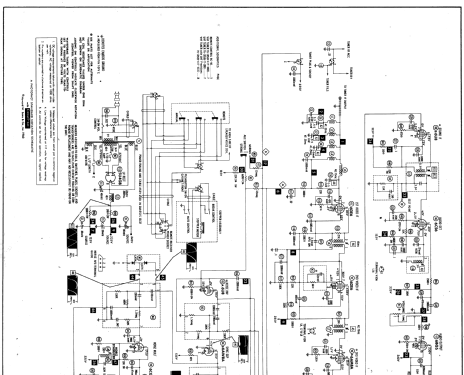
- The Philco H4250 is a 21" b/w TV with US standard VHF tuner channels 2 thru 13. Equipped with chassis 10L31, VHF tuner T-100A and picture tube 21DQP4.
Sams photofact set 479 folder 1 date 3-60 features the Philco models H4248E, H4250, H4250E, H5250L, H4253, H4253L, H4668, H4668L, H4670, H4670L, H4670W, H4672, H4672L, H4672W with chassis 10L31 and the models UH4248E, UH4250, UH4250E, UH4250L, UH4253, UH4253L, UH4668, UH4668L, UH3570, UH4670L, UH4670W; UH4672, UH4672L, UH4672W with chassis 10L31U and the models H4668LR, H4668R, H4673LR, 4673R with chassis 10L32 and the models UH4668LR, UH46668R, UH4673LR, UH4673R with chassis 10L32U as the same schematic.
- Letteratura / Schemi (1)
- Photofact Folder, Howard W. SAMS (Set 479 folder 1 date 3-60)
- Letteratura / Schemi (2)
- - - Manufacturers Literature
- Autore
- Modello inviato da Peter Hoddow. Utilizzare "Proponi modifica" per inviare ulteriori dati.
- Altri modelli
-
In questo link sono elencati 4120 modelli, di cui 2228 con immagini e 3768 con schemi.
Elenco delle radio e altri apparecchi della Philco, Philadelphia Stg. Batt. Co.; USA