H4250L Ch= 10L31
Philco, Philadelphia Stg. Batt. Co.; USA
- País
- Estados Unidos
- Fabricante / Marca
- Philco, Philadelphia Stg. Batt. Co.; USA
- Año
- 1958
- Categoría
- Televisión (TV) o monitor
- Radiomuseum.org ID
- 143417
Haga clic en la miniatura esquemática para solicitarlo como documento gratuito.
- Numero de valvulas
- 16
- Válvulas
- 6X8 6BC8 6AM8A or 6AM8 6DE6 6DE6 6BQ5 6CS7 6CS6 6U8 or 6U8A or 6EA8 6CG7 6AW8A 6DA4 6DQ6A 1G3GT 5U4GB 21DQP4
- Principio principal
- Superheterodino con paso previo de RF
- Gama de ondas
- VHF/UHF (see notes for details)
- Tensión de funcionamiento
- Red: Corriente alterna (CA, Inglés = AC) / 105 - 120 Volt
- Altavoz
- Altavoz dinámico (de imán permanente) / Ø 5.25 inch = 13.3 cm
- de Radiomuseum.org
- Modelo: H4250L Ch= 10L31 - Philco, Philadelphia Stg. Batt
- Anotaciones
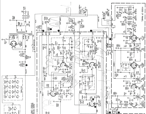
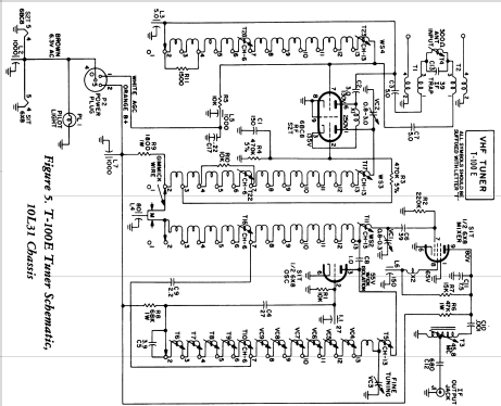
- The Philco H4250L is a 21" b/w TV with US standard VHF tuner channels 2 thru 13. Equipped with chassis 10L31, VHF tuner T-100A and picture tube 21DQP4. Sams photofact set 479 folder 1 date 3-60 features the Philco models H4248E, H4250, H4250E, H5250L, H4253, H4253L, H4668, H4668L, H4670, H4670L, H4670W, H4672, H4672L, H4672W with chassis 10L31 and the models UH4248E, UH4250, UH4250E, UH4250L, UH4253, UH4253L, UH4668, UH4668L, UH3570, UH4670L, UH4670W; UH4672, UH4672L, UH4672W with chassis 10L31U and the models H4668LR, H4668R, H4673LR, 4673R with chassis 10L32 and the models UH4668LR, UH46668R, UH4673LR, UH4673R with chassis 10L32U as the same schematic.
- Documentación / Esquemas (1)
- Photofact Folder, Howard W. SAMS (Set 479 folder 1 date 3-60)
- Documentación / Esquemas (2)
- - - Manufacturers Literature
- Autor
- Modelo creado por Peter Hoddow. Ver en "Modificar Ficha" los participantes posteriores.
- Otros modelos
-
Donde encontrará 4120 modelos, 2227 con imágenes y 3768 con esquemas.
Ir al listado general de Philco, Philadelphia Stg. Batt. Co.; USA