H4668LR Ch= 10L32
Philco, Philadelphia Stg. Batt. Co.; USA
- Pays
- Etats-Unis
- Fabricant / Marque
- Philco, Philadelphia Stg. Batt. Co.; USA
- Année
- 1959 ?
- Catégorie
- Récepteur de télévision ou moniteur
- Radiomuseum.org ID
- 143457
Cliquez sur la vignette du schéma pour le demander en tant que document gratuit.
- No. de tubes
- 16
- Principe général
- Super hétérodyne (en général)
- Gammes d'ondes
- Bandes en notes
- Tension / type courant
- Alimentation Courant Alternatif (CA) / 105 - 120 Volt
- Haut-parleur
- HP dynamique à aimant permanent + bobine mobile
- De Radiomuseum.org
- Modèle: H4668LR Ch= 10L32 - Philco, Philadelphia Stg. Batt
- Remarques
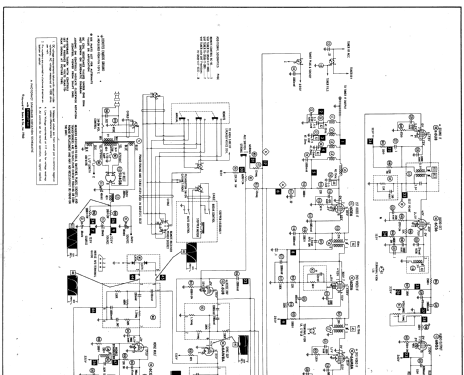
- Channels 2 thr 13 VHf, 14 thru 83 UHF. Sams photofact set 479 folder 1 date 3-60 features the Philco models H4248E, H4250, H4250E, H5250L, H4253, H4253L, H4668, H4668L, H4670, H4670L, H4670W, H4672, H4672L, H4672W with chassis 10L31 and the models UH4248E, UH4250, UH4250E, UH4250L, UH4253, UH4253L, UH4668, UH4668L, UH3570, UH4670L, UH4670W; UH4672, UH4672L, UH4672W with chassis 10L31U and the models H4668LR, H4668R, H4673LR, 4673R with chassis 10L32 and the models UH4668LR, UH46668R, UH4673LR, UH4673R with chassis 10L32U as the same schematic.
- Schémathèque (1)
- Photofact Folder, Howard W. SAMS (Set 479 folder 1 date 3-60)
- Auteur
- Modèle crée par Peter Hoddow. Voir les propositions de modification pour les contributeurs supplémentaires.
- D'autres Modèles
-
Vous pourrez trouver sous ce lien 4120 modèles d'appareils, 2227 avec des images et 3768 avec des schémas.
Tous les appareils de Philco, Philadelphia Stg. Batt. Co.; USA