H4674 Ch= 10L41
Philco, Philadelphia Stg. Batt. Co.; USA
- Country
- United States of America (USA)
- Manufacturer / Brand
- Philco, Philadelphia Stg. Batt. Co.; USA
- Year
- 1959
- Category
- Television Receiver (TV) or Monitor
- Radiomuseum.org ID
- 213222
Click on the schematic thumbnail to request the schematic as a free document.
- Number of Tubes
- 16
- Valves / Tubes
- 6X8 6BC8 6AM8A or 6AM8 6DE6 6DE6 6BQ5 6DR7 6CS6 6U8 or 6U8A or 6EA8 6CG7 6AW8A 6DA4 6DQ6A 1G3GT 5U4GB 21EVP4
- Main principle
- Superhet with RF-stage
- Wave bands
- VHF incl. FM and/or UHF (see notes for details)
- Power type and voltage
- Alternating Current supply (AC) / 105-120 Volt
- Loudspeaker
- Permanent Magnet Dynamic (PDyn) Loudspeaker (moving coil) - elliptical
- Material
- Wooden case
- from Radiomuseum.org
- Model: H4674 Ch= 10L41 - Philco, Philadelphia Stg. Batt
- Shape
- Console with any shape - in general
- Notes
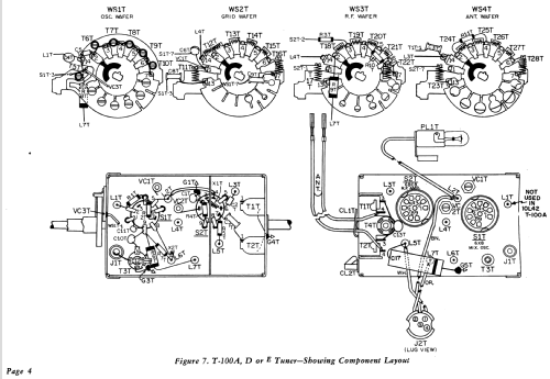
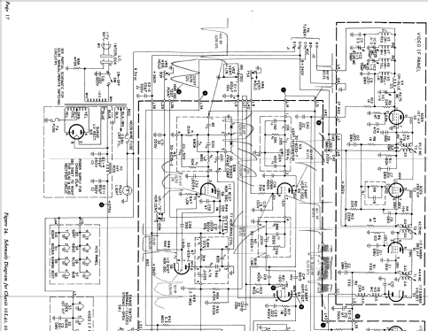
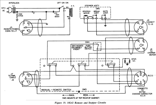
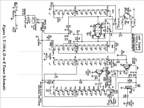
- The Philco H4674 is a 21" b/w TV with US standard VHF tuner channels 2 thru 13. Equipped with chassis 10L41, VHF tuner T-100E and picture tube 21EVP4.
- Source of data
- - - Manufacturers Literature
- Literature/Schematics (1)
- - - Manufacturers Literature (Photofact Folder, Howard W. SAMS (Date 12-59, Set 466, Folder 1))
- Author
- Model page created by John Kusching. See "Data change" for further contributors.
- Other Models
-
Here you find 4120 models, 2228 with images and 3768 with schematics for wireless sets etc. In French: TSF for Télégraphie sans fil.
All listed radios etc. from Philco, Philadelphia Stg. Batt. Co.; USA