H4696S Ch= 10L41
Philco, Philadelphia Stg. Batt. Co.; USA
- País
- Estados Unidos
- Fabricante / Marca
- Philco, Philadelphia Stg. Batt. Co.; USA
- Año
- 1959
- Categoría
- Televisión (TV) o monitor
- Radiomuseum.org ID
- 213253
Haga clic en la miniatura esquemática para solicitarlo como documento gratuito.
- Numero de valvulas
- 16
- Válvulas
- 6X8 6BC8 6AM8A or 6AM8 6DE6 6DE6 6BQ5 6DR7 6CS6 6U8 or 6U8A or 6EA8 6CG7 6AW8A 6DA4 6DQ6A 1G3GT 5U4GB 21EVP4
- Principio principal
- Superheterodino con paso previo de RF
- Gama de ondas
- VHF/UHF (see notes for details)
- Tensión de funcionamiento
- Red: Corriente alterna (CA, Inglés = AC) / 105-120 Volt
- Altavoz
- Altavoz elíptico de imán permanente.
- Material
- Madera
- de Radiomuseum.org
- Modelo: H4696S Ch= 10L41 - Philco, Philadelphia Stg. Batt
- Forma
- Consola en general
- Anotaciones
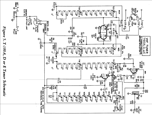
- The Philco H4696S is a 21" b/w TV with US standard VHF tuner channels 2 thru 13. Equipped with chassis 10L41, VHF tuner T-100E and picture tube 21EVP4.
- Procedencia de los datos
- - - Manufacturers Literature
- Documentación / Esquemas (1)
- - - Manufacturers Literature (Photofact Folder, Howard W. SAMS (Date 12-59, Set 466, Folder 1))
- Autor
- Modelo creado por John Kusching. Ver en "Modificar Ficha" los participantes posteriores.
- Otros modelos
-
Donde encontrará 4126 modelos, 2231 con imágenes y 3774 con esquemas.
Ir al listado general de Philco, Philadelphia Stg. Batt. Co.; USA